EasyManua.ls Logo

Tsuruga 3587 - Internal Circuit Configuration

Default Icon
57 pages
Print Icon
To Next Page IconTo Next Page
To Next Page IconTo Next Page
To Previous Page IconTo Previous Page
To Previous Page IconTo Previous Page
Loading...
MODEL 3587 - 36 -
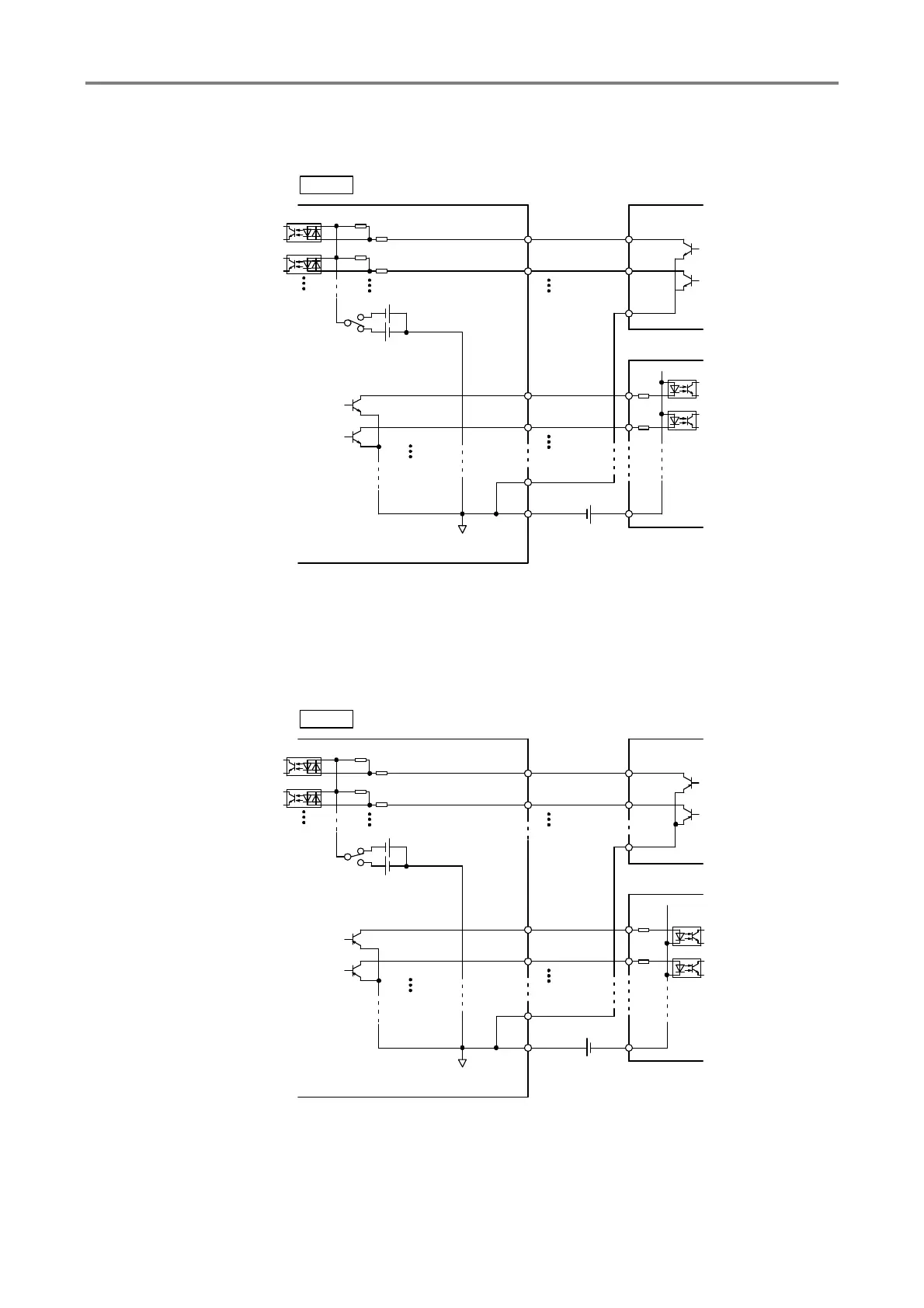
5.1.7 Internal circuit configuration
EXT I/O
MODE
selector
NPN
13
14
7
2
START
GO
TEST
8
1
O-COM
I-COM
3587
RESET
NPN set
PLC etc.
PLC etc.
Common
Input
Common
Output
(The tester is insulated from the protective earth)
Common internal insulation
Internal insulated
power supply
EXT I/O
MODE
selector
13
14
7
2
START
GO
TEST
8
1
O-COM
I-COM
PNP
3587
RESET
PNP set
PLC etc.
PLC etc.
Input
Common
Common
Output
Internal insulated
power supply
(The tester is insulated from the protective earth)
Common internal insulation