EasyManua.ls Logo

Ulvac C30HVRT - Page 90

Default Icon
94 pages
Print Icon
To Next Page IconTo Next Page
To Next Page IconTo Next Page
To Previous Page IconTo Previous Page
To Previous Page IconTo Previous Page
Loading...
C30HVRT Compressor Installation, Operation, Maintenance and Troubleshooting
D-2 ULVAC CRYOGENICS INCORPORATED
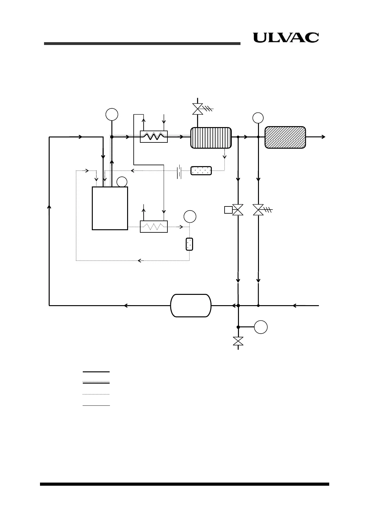
Figure D-1 Compressor flow diagram
Helium heat exchanger
P
TS1
SUPPLY
Oil separator
Adsorber
Oil return filter
Oil return orifice
S
Solenoid valve
for pressure
equalization
Oil injection
filter
LPS
TS2
Differential pressure
regulating valve
Compressor
pump
OUT
TS3
Oil heat changer
Accumulator
RETURN
Low pressure switch
Helium filling valve
Pressure gauge
Safety valve
Cooling water
IN
Helium gas flow
Helium gas and oil flow
Oil flow
Cooling water flow

Table of Contents