EasyManua.ls Logo

Valleylab Force FX-8C - Power Supply;Rf Board Assembly

Valleylab Force FX-8C
218 pages
Print Icon
To Next Page IconTo Next Page
To Next Page IconTo Next Page
To Previous Page IconTo Previous Page
To Previous Page IconTo Previous Page
Loading...
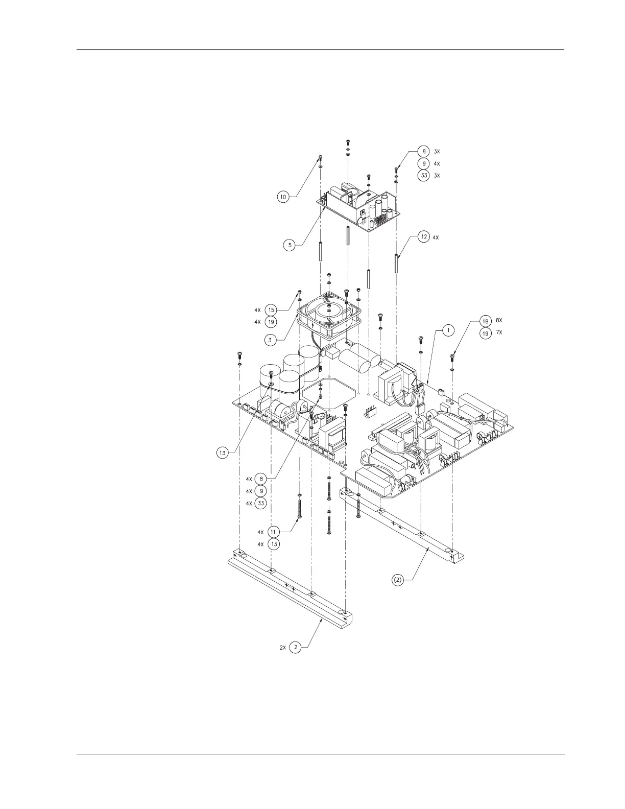
Power Supply/RF Board Assembly
9-14 Force FX-8C Service Manual
Power Supply/RF Board Assembly
Figure 9-5.
Power Supply/RF board assembly

Table of Contents

Related product manuals