EasyManua.ls Logo

Valleylab Force FX-8C - Block Diagram

Valleylab Force FX-8C
218 pages
Print Icon
To Next Page IconTo Next Page
To Next Page IconTo Next Page
To Previous Page IconTo Previous Page
To Previous Page IconTo Previous Page
Loading...
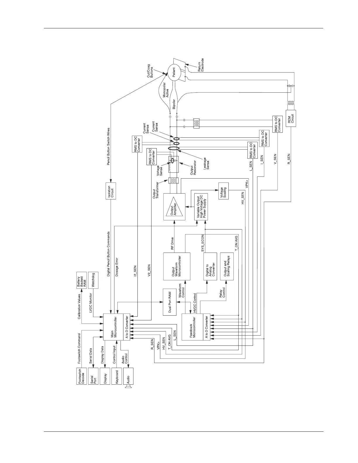
Block Diagram
4-2 Force FX-8C Service Manual
Block Diagram

Table of Contents

Related product manuals