EasyManua.ls Logo

VARILITE VL4 - INA117 Emulator Board Schematic

Default Icon
238 pages
Print Icon
To Next Page IconTo Next Page
To Next Page IconTo Next Page
To Previous Page IconTo Previous Page
To Previous Page IconTo Previous Page
Loading...
5-22
V
ARI
*L
ITE
®
-
VL4
W
ASH
L
UMINAIRE
S
ERVICE
M
ANUAL
CONFIDENTIAL 02.9628.0010
7-Oct-97
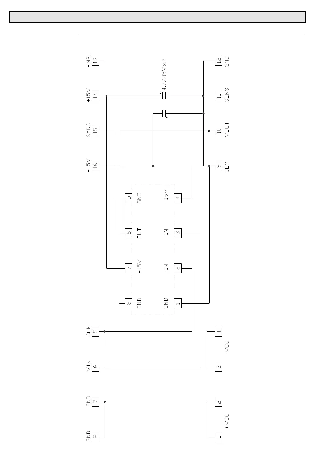
5.3.2 INA117 Emulator Board Schematic

Table of Contents