EasyManua.ls Logo

VARILITE VL4 - Ignitor Board Schematic

Default Icon
238 pages
Print Icon
To Next Page IconTo Next Page
To Next Page IconTo Next Page
To Previous Page IconTo Previous Page
To Previous Page IconTo Previous Page
Loading...
C
HAPTER
5. W
IRING
D
IAGRAMS
5-23
02.9628.0010 CONFIDENTIAL
7-Oct-97
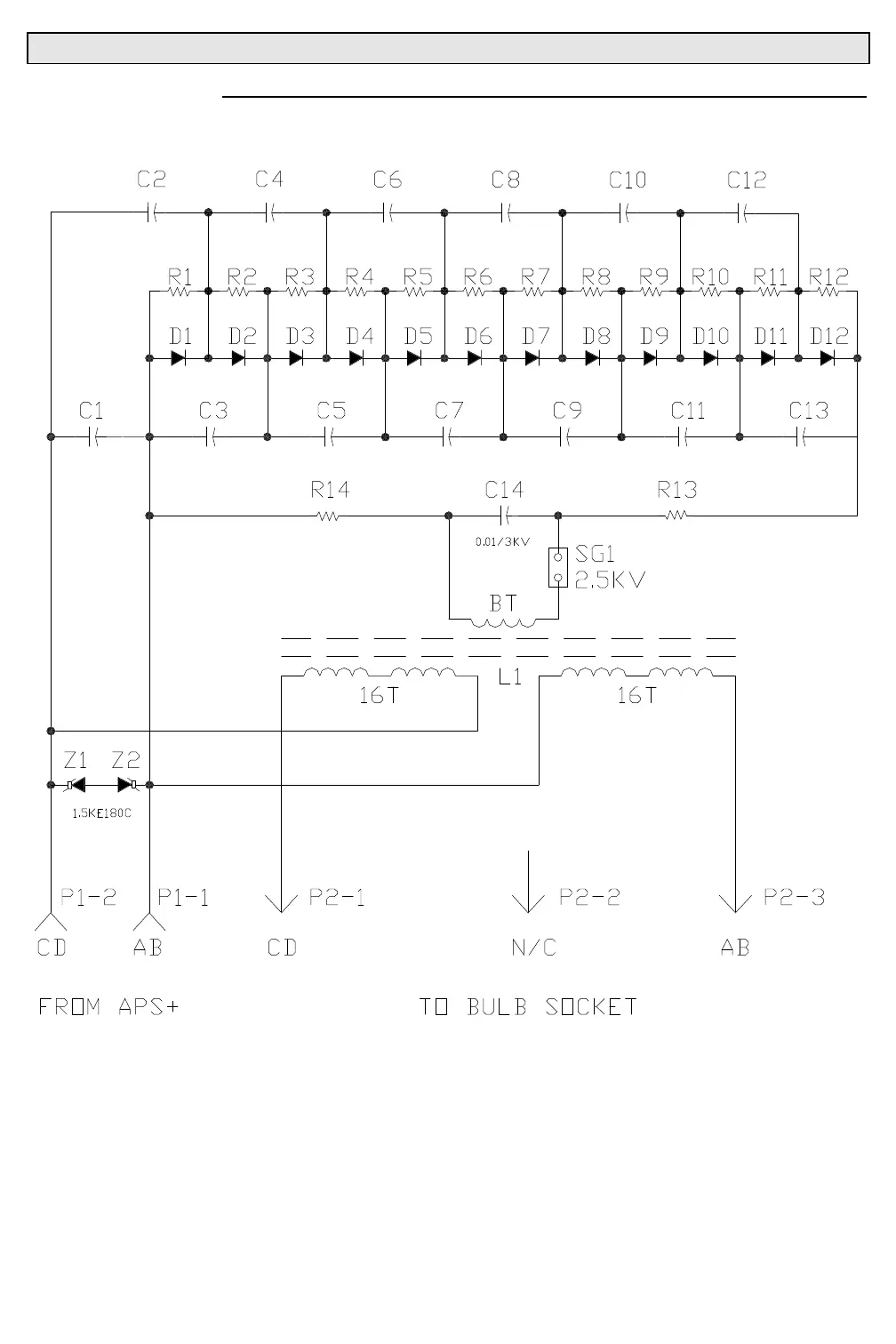
5.3.3 Ignitor Board Schematic

Table of Contents