EasyManua.ls Logo

VARILITE VL4 - Yoke Termination Board Schematic

Default Icon
238 pages
Print Icon
To Previous Page IconTo Previous Page
To Previous Page IconTo Previous Page
Loading...
5-24
V
ARI
*L
ITE
®
-
VL4
W
ASH
L
UMINAIRE
S
ERVICE
M
ANUAL
CONFIDENTIAL 02.9628.0010
7-Oct-97
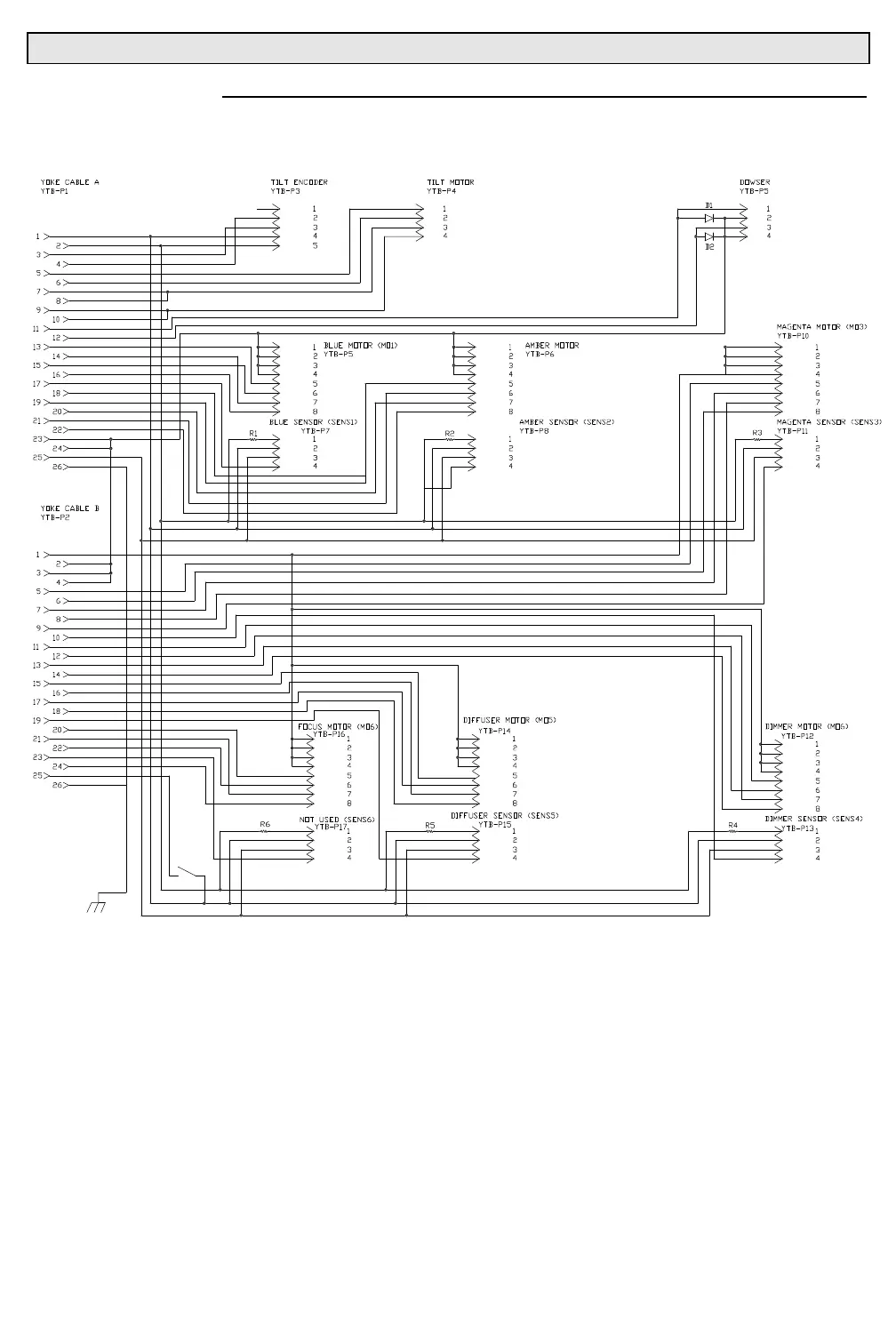
5.3.4 Yoke Termination Board Schematic

Table of Contents