EasyManua.ls Logo

Vetus EC3 - Electrical Installation of Systems with 2 Engines, 2 Actuators and 4 Ignition Keys; Dimensional Criteria of the Power Supply Cables

Vetus EC3
84 pages
Print Icon
To Next Page IconTo Next Page
To Next Page IconTo Next Page
To Previous Page IconTo Previous Page
To Previous Page IconTo Previous Page
Loading...
030624.13 43
vetus® Electronic engine remote control
R
+
-
F
A1
A2
Com
NO
D
+
-
D
R
A1
A2
F
Com
NO
L
N
L
N
D D DD
Battery Battery
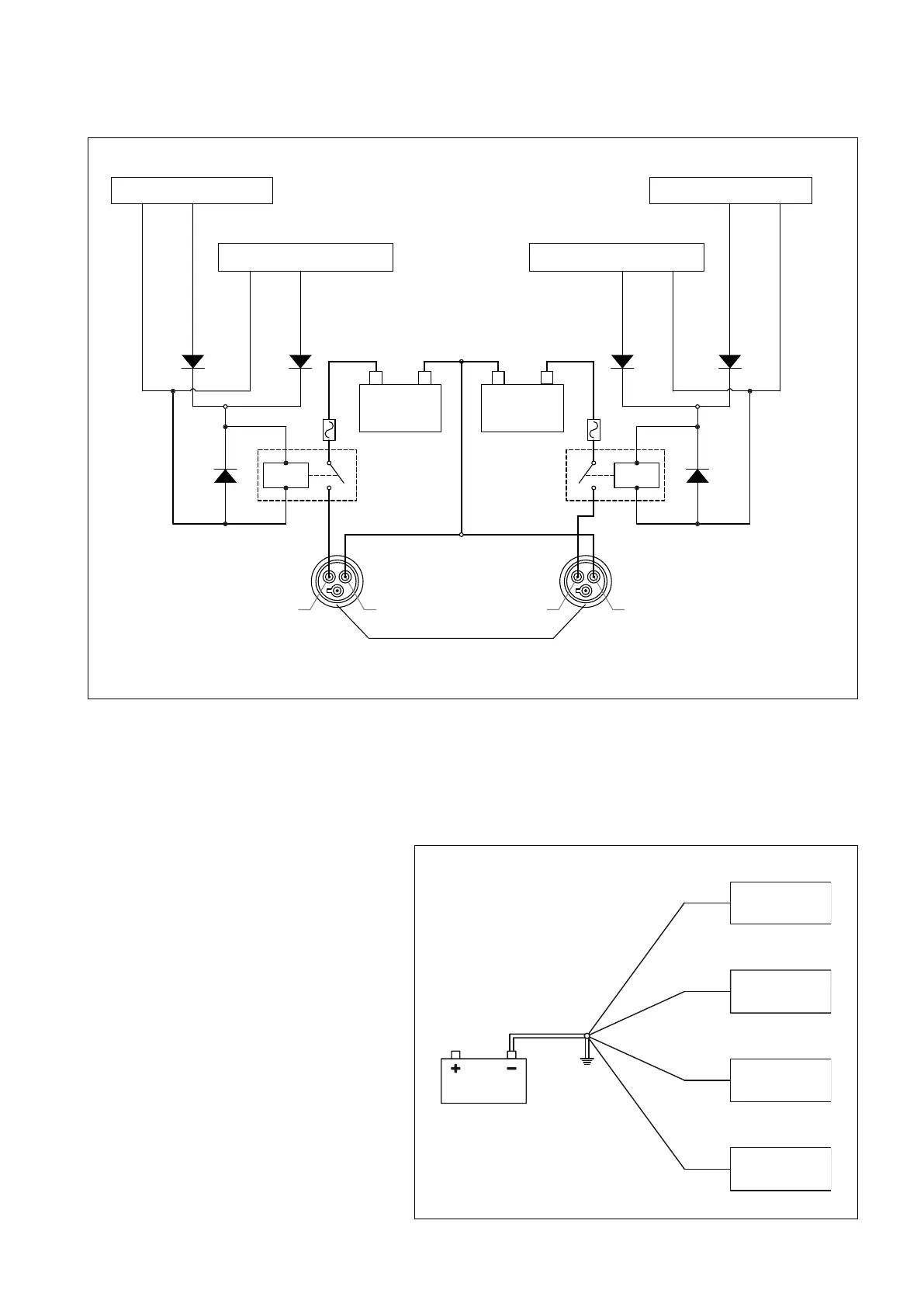
Actuator power supply connector
Ignition key - Deck
- Battery
Signal 15
Ignition key - Fly Bridge
- Battery
Signal 15
Ignition key - Fly Bridge
Ignition key - Deck
- Battery
- Battery
Signal 15
Signal 15
8.1.7 Electrical installation of systems with 2 engines, 2 actuators and 4 ignition keys
For the detailed list of components, please refer to the table at section 8.1.3.
8.1.8 Dimensional criteria of the power supply cables
For the supply cables respect the following
provisions:
Cables from the battery to engine starter
(both positive and negative poles) must
have a minimum cross section of 50 mm
2
, if
it is not specified a higher cross section by
the engine supplier.
The GND of the actuator must be connected
directly to the negative pole of the battery.
Minimum cross section is 2,5 mm
2
.
In case electronic throttle, it is very impor-
tant to connect to a common GND point
(either GND bus bar or common bonding
conductor or hull) all the negative poles of
each electronic device.
P
Motor
starter
Flexball
actuator
ECU
Bow
thruster

Table of Contents