EasyManua.ls Logo

Wavetek 75 - Page 127

Default Icon
144 pages
Print Icon
To Next Page IconTo Next Page
To Next Page IconTo Next Page
To Previous Page IconTo Previous Page
To Previous Page IconTo Previous Page
Loading...
THIS WCWENT CWTAIW PRWRIETARY INFOR.
MATION AND DESIGN RIGHTS IELWGING TO
WAVETEI
AND
MAY
NDT
BE
REPRODUCED
FOR
Am
REASDN EXCEPT CALIBRATION. WERATION. AND
MAINTENANCE WlTllOUT WRIlTEN AUTWRIZATION.
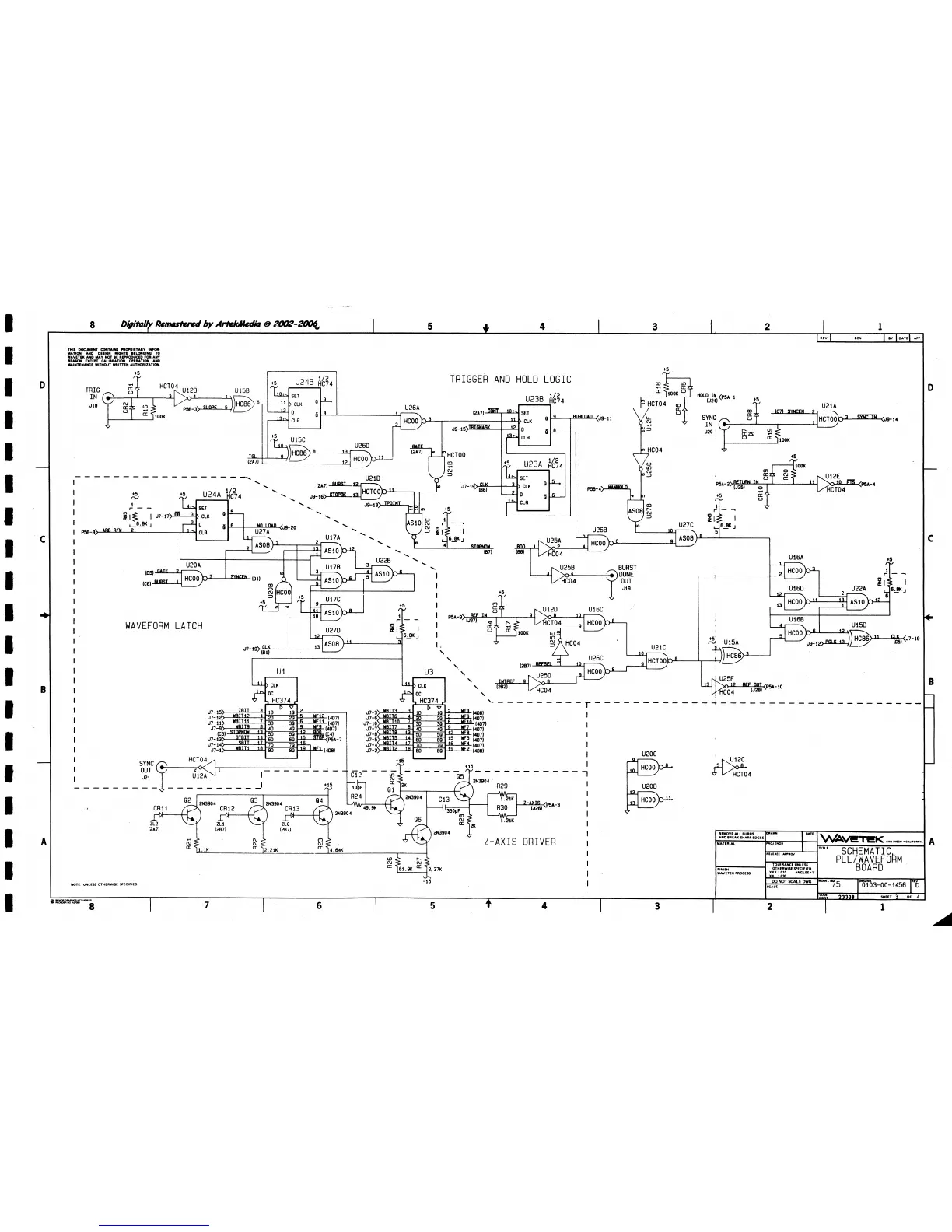
WAVEFORM LATCH
REV ECN
BY
DATE
AW
TRIGGER AND HOLD LOGIC
-----------------
I
I
I
I
I
I
I
I
I
I
I
I
I
I
I
I
I
I
Z-AXIS DRIVER
NOTE UNLESS OTHERWISE SPECIFIED

Table of Contents

Related product manuals