EasyManua.ls Logo

Wecon VD2F-010SA1P - Page 45

Default Icon
133 pages
Print Icon
To Next Page IconTo Next Page
To Next Page IconTo Next Page
To Previous Page IconTo Previous Page
To Previous Page IconTo Previous Page
Loading...
Wecon VD2 SA Series Servo Drives Manual (Lite V1.1)
WECON technology Co., Ltd
39
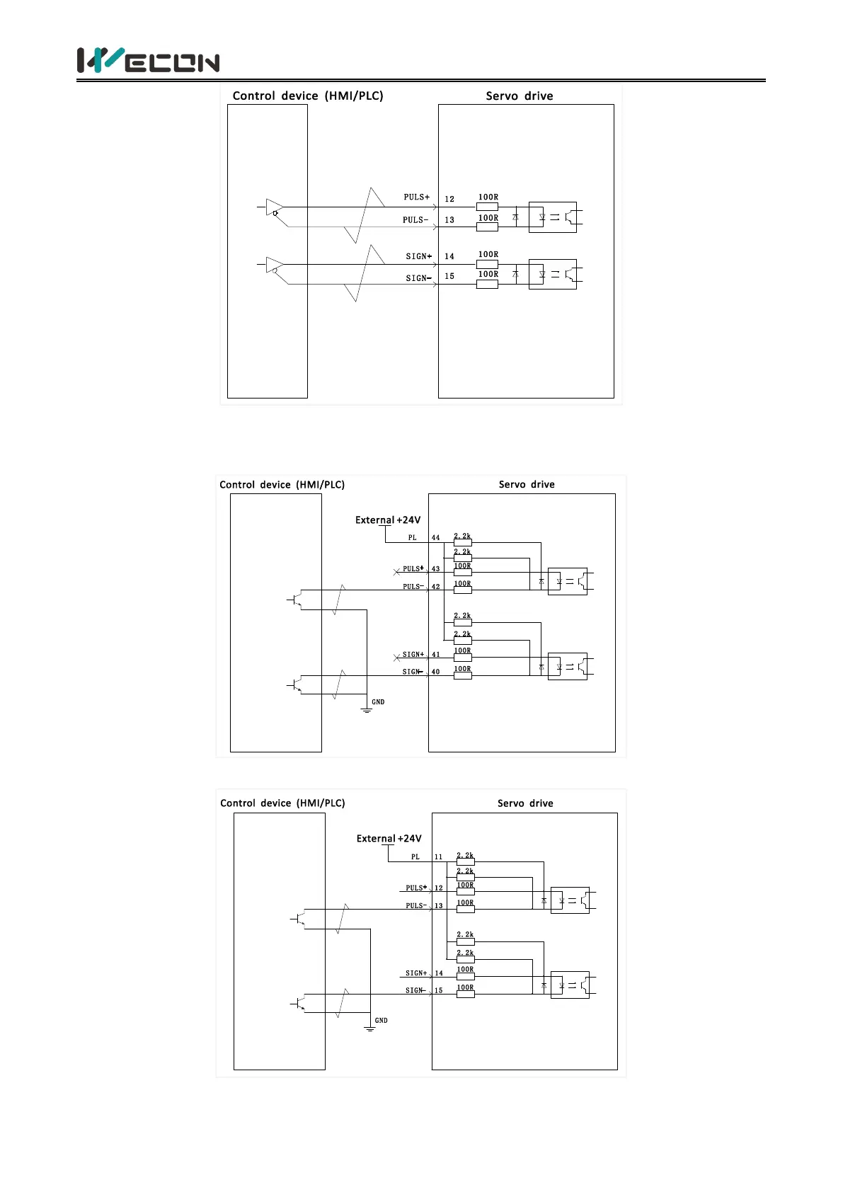
Figure 4-14 VD2F servo drive differential input connection
(2) Open collector input
1) Open collector input connection
Figure 4-15 VD2A and VD2B servo drive open collector input connection
Figure 4-16 VD2F servo drive open collector input connection

Table of Contents

Related product manuals