EasyManua.ls Logo

Wecon VD2F-010SA1P - 4.4.6 Brake wiring; 4.5 Communication signal wiring

Default Icon
133 pages
Print Icon
To Next Page IconTo Next Page
To Next Page IconTo Next Page
To Previous Page IconTo Previous Page
To Previous Page IconTo Previous Page
Loading...
Wecon VD2 SA Series Servo Drives Manual (Lite V1.1)
WECON technology Co., Ltd
46
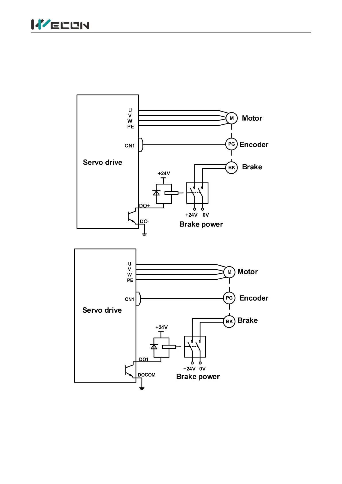
4.4.6 Brake wiring
The brake is a mechanism that prevents the servo motor shaft from moving when the servo drive is
in a non-running state, so that the motor remains in position lock, so that the moving part of the
machinery will not move due to self-weight or external force.
Brake input signal is no polar. You need to use 24V power. The standard wiring between brake signal
BK and brake power is as below.
Figure 4-27 Brake wiring of VD2A and VD2B
Figure 4-28 Brake wiring of VD2F
4.5 Communication signal wiring
Wecon VD2 series servo drive supports two communication modes: RS-422 and RS-485. The
communication port is RJ45 socket. The exterior of communication terminal is shown in Figure 4-29.

Table of Contents

Related product manuals