EasyManua.ls Logo

WEG CFW300 - Page 47

WEG CFW300
124 pages
Print Icon
To Next Page IconTo Next Page
To Next Page IconTo Next Page
To Previous Page IconTo Previous Page
To Previous Page IconTo Previous Page
Loading...
CFW300 | 43
Informaciones Generales
Español
PC
Entradas
digitales
(DI1 a DI4)
Fuentes para electrónica y interfaces entre
potencia y control
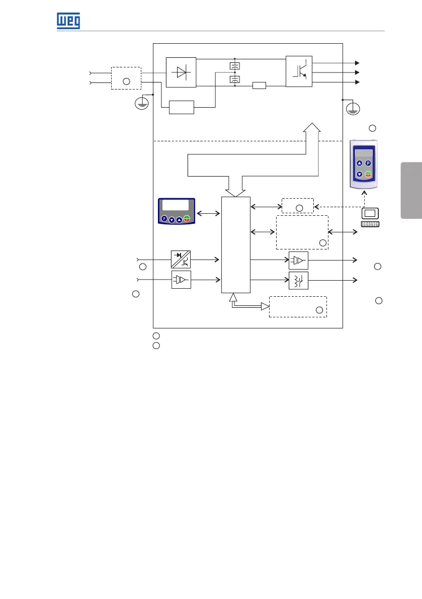
Potencia
Rectificador
monofásico
Precarga
Motor
3~
U/T1
V/T2
W/T3
Convertidor con
transistores
IGBT
L1/L
RS-485
Banco de
condensadores
Link CC
HMI
Tarjeta
de
control
con CPU
16 bits
Módulo de
Memoria Flash
Interfaces (RS-232,
RS-485, USB,
CANopen DeviceNet,
Profibus DP ou
Bluetooth)
Salida
analógica
(AO1)
HMI (remota)
PE
PE
Salida
digital
DO1
(RL1)
Software
WPS
Control
Entrada
analógica
(AI1)
L2/N
Rsh
1
1
1
1
2
2
2
2
Filtro RFI
1
Red de
alimentación
1
Disponible como accesorio
2
El número de Entradas/Salidas depende del accesorio de expansión de I/Os utilizado
Figura 2.2: Diagrama de bloques del CFW300 para el tamaño A 110 V

Table of Contents

Other manuals for WEG CFW300

Related product manuals