EasyManua.ls Logo

WEG CFW300 - Nomenclatura

WEG CFW300
124 pages
Print Icon
To Next Page IconTo Next Page
To Next Page IconTo Next Page
To Previous Page IconTo Previous Page
To Previous Page IconTo Previous Page
Loading...
82 | CFW300
Informações Gerais
Português
PC
Motor
3~
U/T1
V/T2
W/T3
R/L1/L
T/L3
RS-485
HMI
HMI (remota)
PE
PE
Software
WPS
S/L2/N
Rsh
+UD -UD +BR BR
1
1
4 4
2
2
Entradas
digitais
(DI1 to DI4)
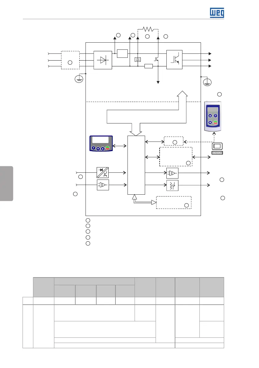
Fontes para eletrônica e interfaces entre
potência e controle
Potência
Retificador
trifásico
Pré-
carga
Inversor com
transistores
IGBT
IGBT de
frenagem
Rede de
alimentação
Banco
capacitores
barramento CC
Cartão
de
controle
CPU
16 bits
Módulo de
Memória Flash
Interfaces (RS-232,
RS-485, USB,
CANopen, Devicenet,
Profibus DP ou
Bluetooth)
Saída
analógica
(AO1)
Saída
digital
DO1
(RL1)
Controle
Entrada
analógica
(AI1)
Filtro RFI
5
2
2
3
3
3
3
1
Conexão da alimentação CC
2
Disponível como acessório
3
O número de Entradas/Saídas depende do acessório de expansão de I/Os utilizado
4
Conexão para resistor de frenagem
5
Disponível como acessório somente para modelos monofásicos
Figura 2.3: Blocodiagrama do CFW300 para mecânica B 220 V
2.3 NOMENCLATURA
Tabela 2.1: Nomenclatura dos inversores CFW300
Produto
e Série
Identificação do Modelo
Frenagem
Grau de
Proteção
Versão
de Hardware
Versão
de
Software
Mecânica
Corrente
Nominal
N° de
Fases
Tensão
Nominal
Ex.: CFW300 A 01P6 S 2 NB 20 --- ---
Opções disponíveis
CFW300 Consulte a Tabela 2.2 na página 83 Em
branco =
standard
NB = sem frenagem reostática Sx =
software
especial
DB = com frenagem reostática Em branco = standard
20 = IP20 Hx = hardware especial

Table of Contents

Other manuals for WEG CFW300

Related product manuals