EasyManua.ls Logo

WEG CFW300 - Nomenclatura

WEG CFW300
124 pages
Print Icon
To Next Page IconTo Next Page
To Next Page IconTo Next Page
To Previous Page IconTo Previous Page
To Previous Page IconTo Previous Page
Loading...
44 | CFW300
Informaciones Generales
Español
Entradas
digitales
(DI1 a DI4)
Fuentes para electrónica y interfaces entre
potencia y control
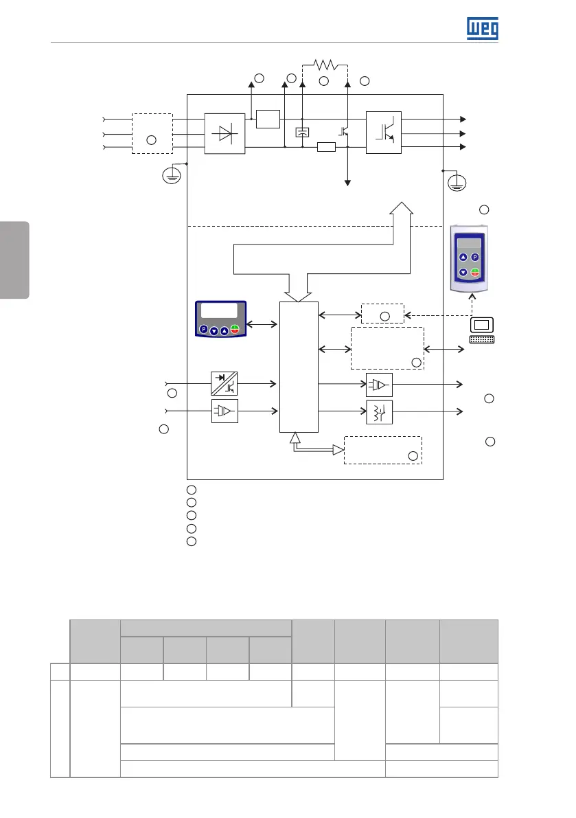
Potencia
Rectificador
trifásico
Precarga
Motor
3~
U/T1
V/T2
W/T3
Convertidor
con transistores
IGBT
Red de
alimentación
R/L1/L
T/L3
RS-485
Banco de
condensadores
Link CC
HMI
Tarjeta
de
control
con CPU
16 bits
Módulo de
Memoria Flash
Interfaces (RS-232,
RS-485, USB,
CANopen, DeviceNet,
Profibus DP ou
Bluetooth)
Salida
analógica
(AO1)
HMI (remota)
PE
PE
Salida
digital
DO1
(RL1)
Software
WPS
Control
Entrada
analógica
(AI1)
S/L2/N
Rsh
+UD -UD +BR BR
Filtro RFI
5
1 1
4 4
2
2
2
2
3
3
3
3
IGBT de frenado
PC
1
Conexión de la alimentación CC
2
Disponible como accesorio
3
El número de Entradas/Salidas depende del accesorio de expansión de I/Os utilizado
4
Conexión para resistor de frenado
5
Disponible como accesorio solamente para los modelos monofásicos
Figura 2.3: Diagrama de bloques del CFW300 para el tamaño B 220 V
2.3 NOMENCLATURA
Tabla 2.1: Nomenclatura de los convertidores CFW300
Producto
y Serie
Identificación del Modelo
Frenado
Grado de
Protección
Versn de
Hardware
Versn de
Software
Tamaño
Corriente
Nominal
N° de
Fases
Tensión
Nominal
Ej.: CFW300 A 01P6 S 2 NB 20 --- ---
Opciones disponibles
CFW300 Consulte la Tabla 2.2 en la página 45 En blanco =
estándar
NB = sin frenado reostático Sx =
software
especial
DB = con frenado reostático En blanco = estándar
20 = IP20 Hx = hardware especial

Table of Contents

Other manuals for WEG CFW300

Related product manuals