EasyManua.ls Logo

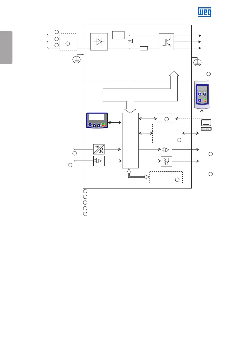
WEG CFW300 - Block Diagram of CFW300 for Frame Size a 220 V

WEG CFW300
124 pages
Print Icon
To Next Page IconTo Next Page
To Next Page IconTo Next Page
To Previous Page IconTo Previous Page
To Previous Page IconTo Previous Page
Loading...
4 | CFW300
English
General Information
Digital inputs
(DI1 to DI4)
Sources for electronics and interfaces between
power and control
Power
Single-phase /
three-phase
rectifier
Preload
Motor
3~
U/T1
V/T2
W/T3
Inverter
with IGBT
transistors
Power
supply
R/L1/L (-UD)
T/L3
RS-485
DC Link
capacitor
bank
HMI
Control
board
with
CPU
16 bits
Flash Memory
Module
Interfaces (RS-232,
RS-485, USB,
CANopen, DeviceNet,
Profibus DP or
Bluetooth)
Analog
output
(AO1)
HMI (remote)
PE
PE
Digital
output
DO1
(RL1)
Software
WPS
Control
PC
Analog input
(AI1)
S/L2/N (+UD)
Rsh
Filter RFI
1
1
2
5
3
3
3
3
4
4
4
4
1
DC power supply connection available for specific models only
2
Three-phase power supply connection available for specific models only
3
Available as accessory
4
Number of Inputs/Outputs depends on the I/O expansion accessory used
5
Available as accessory only in models single-phase
Figure 2.1: Block diagram of CFW300 for frame size A 220 V

Table of Contents

Other manuals for WEG CFW300

Related product manuals