EasyManua.ls Logo

WEG CFW300 - Page 84

WEG CFW300
124 pages
Print Icon
To Next Page IconTo Next Page
To Next Page IconTo Next Page
To Previous Page IconTo Previous Page
To Previous Page IconTo Previous Page
Loading...
80 | CFW300
Informações Gerais
Português
PC
Entradas
digitais
(DI1 to DI4)
Fontes para eletrônica e interfaces entre
potência e controle
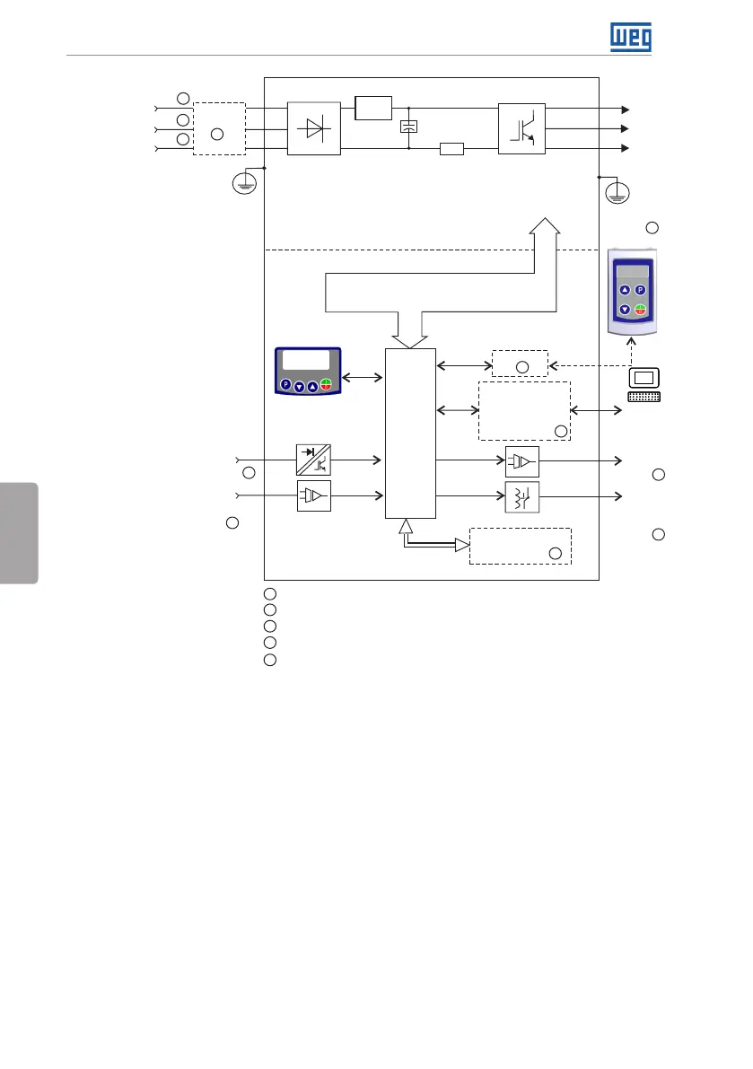
Potência
Retificador
trisico ou
monofásico
Pré-
carga
Motor
3~
U/T1
V/T2
W/T3
Inversor com
transistores
IGBT
Rede de
alimentação
R/L1/L (-UD)
T/L3
RS-485
Banco
capacitores
barramento CC
HMI
Cartão
de
controle
CPU
16 bits
Módulo de
Memória Flash
Interfaces (RS-232,
RS-485, USB,
CANopen, Devicenet,
Profibus DP ou
Bluetooth)
Saída
analógica
(AO1)
HMI (remota)
PE
PE
Saída
digital
DO1
(RL1)
Software
WPS
Controle
Entrada
analógica
(AI1)
S/L2/N (+UD)
Rsh
Filtro RFI
1
1
2
5
3
3
3
3
4
4
4
4
1
Conexão da alimentação CC disponível somente para modelos específicos
2
Conexão da alimentação trifásica disponível somente para modelos específicos
3
Disponível como acessório
4
O número de Entradas/Saídas depende do acessório de expansão de I/Os utilizado
5
Disponível como acessório somente para modelos monofásicos
Figura 2.1: Blocodiagrama do CFW300 para menica A 220 V

Table of Contents

Other manuals for WEG CFW300

Related product manuals