EasyManua.ls Logo

Xerox WorkCentre 4150

Xerox WorkCentre 4150
631 pages
To Next Page IconTo Next Page
To Next Page IconTo Next Page
To Previous Page IconTo Previous Page
To Previous Page IconTo Previous Page
Loading...
January 2016
7-8
WorkCentre WorkCentre 4150/4250/4260WorkCentre 4150/4250/
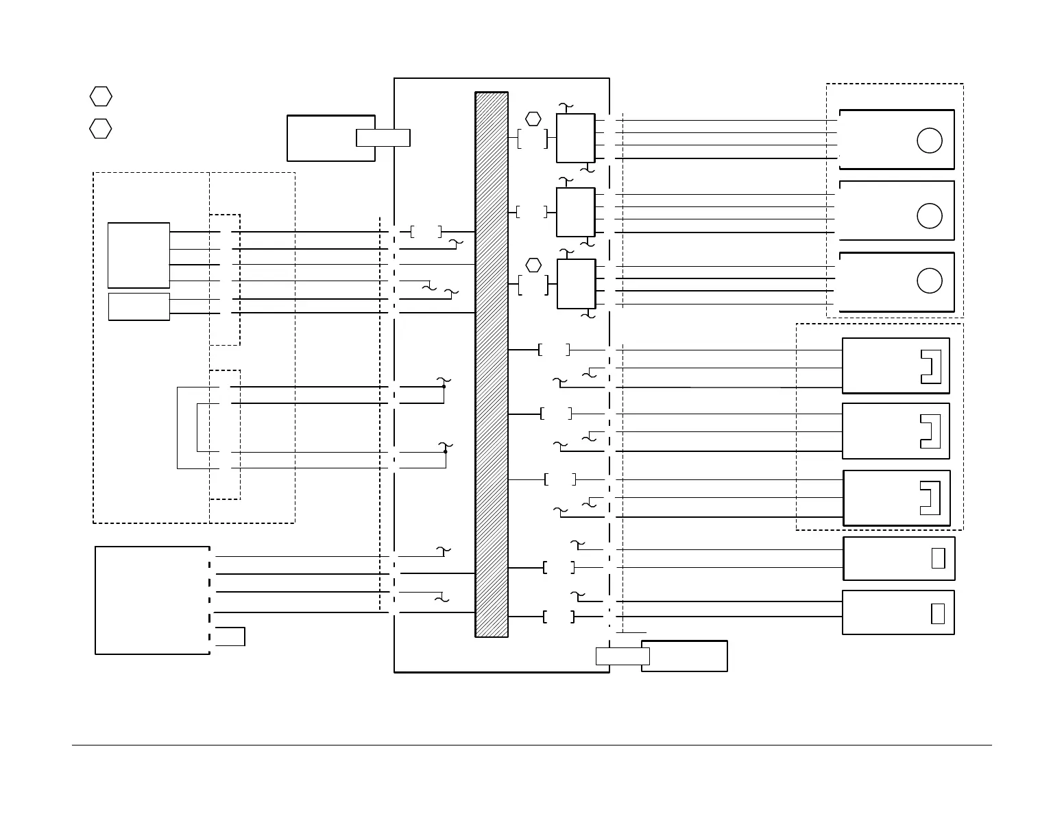
Wiring Diagrams
Wiring Data
Wiring Diagram 5 (4150)
Figure 5 WD 5 (4150)
7$3&
9
9
9
9
&1
&1
0$,13:%
3/
5(*,675$7,21*8,'($66(0%/<
3/
5(*,675$7,21
6(1625
4
3/
)(('6(1625
4
3/
75$<3,&.83
&/87&+
&/
3/
5(*,675$7,21
&/87&+
&/
3/
0(025<',00
3/
)$;3:%02'8/(
3/
1&
&1
9
9





%/.
5('
5('
5('
%/.
5('
%/.
%/.
5('
%/.
6(1625$&78$7('+9
9
9
3$3(56(16('/9
9
9
9
(1(5*,6('/9
9
9
(;,7'5,9($66(0%/<
3/
&5803:%
3/
%/.
%/.
5('
5('
5('

9
6'$
9
6&/
;(52*5$3+,&
02'8/(
3/
&1
;(52*5$3+,&
02'8/(
&211(&725
3/




027
(;,702725
027
3/
027
)86(502725
027
3/
027
'83/(;02725
027
3/
02725
'5,9(5
9
5('
67(338/6(6
5('
67(338/6(6
%/.
67(338/6(6
&1
5('
67(338/6(6
02725
'5,9(5
9
5('
67(338/6(6
5('
67(338/6(6
%/.
67(338/6(6
5('
67(338/6(6
02725
'5,9(5
9
5('
67(338/6(6
5('
67(338/6(6
%/.
67(338/6(6
5('
67(338/6(6



%/.
5('
5('
5('
5('
5('
5('
5('
5('
5('
9
9
9
9
9
96
9
9
96
9
9
9
(5$6(/('
9
9
71592$
9
76(19&217
(5$6(/$03
721(5
6(1625
4
96
9
9
'83/(;-$0
6(1625
4
3/
%/.
5('
5('
3$3(56(16('/9
9
9

(1(5*,6('/9









(;,702725)25:$5')$67
(;,702725)25:$5'6/2:
'83/(;02725)25:$5'
'83/(;02725%$&.:$5'


Table of Contents

Other manuals for Xerox WorkCentre 4150

Related product manuals