EasyManua.ls Logo

Yamaha F90D - Page 124

Yamaha F90D
241 pages
Print Icon
To Next Page IconTo Next Page
To Next Page IconTo Next Page
To Previous Page IconTo Previous Page
To Previous Page IconTo Previous Page
Loading...
LOWR
Lower unit
6-5
6D81G11
6
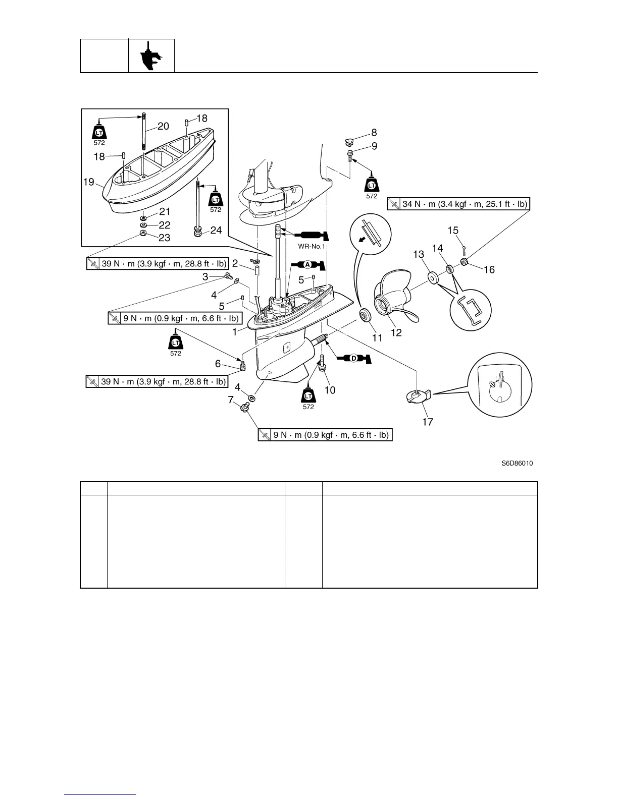
No. Part name Qty Remarks
18 Dowel 2 X-transom model
19 Extension 1 X-transom model
20 Stud bolt 4 M10
×
180 mm/X-transom model
21 Washer 4 X-transom model
22 Spring washer 4 X-transom model
23 Nut 4 X-transom model
24 Bolt 1 M8
×
190 mm/X-transom model

Table of Contents

Related product manuals