EasyManua.ls Logo

Yamaha FT60D - Page 201

Yamaha FT60D
305 pages
Print Icon
To Next Page IconTo Next Page
To Next Page IconTo Next Page
To Previous Page IconTo Previous Page
To Previous Page IconTo Previous Page
Loading...
6C13G11
7-4
1
2
3
4
5
6
7
8
9
7
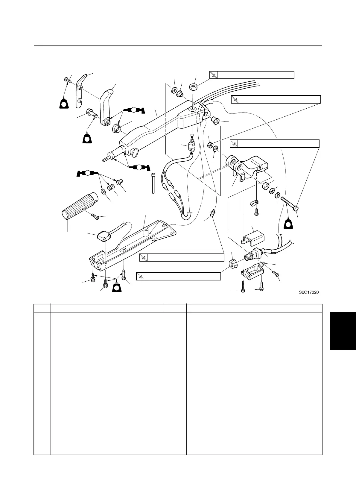
No. Part name Qty Remarks
1 Tiller handle sub assembly 1
2Screw 2 ø6
×
10 mm
3 Shift lever cover 1
4Bolt 1 M8
×
40 mm
5 Shift lever 1
6 Bushing 1
7 Washer 1
8 Bushing 2
9Nut 1
10 Engine stop lanyard switch 1
11 Nut 1
12 Washer 1
13 Bracket 1
14 Collar 1
15 Wave washer 1
16 Washer 1
17 Bolt 1 M12
×
80 mm
2
3
5
4
6
1
7
8
9
11
10
12
13
14
15
17
16
19
20
19
24
23
22
21
18
34
33
32
31
25
26
30
27
28
29
8
LT
572
LT
LT
242
AA
AA
AA
LT
572
LT
LT
572
LT
T
R
.
.
2 N
·
m (0.2 kgf
·
m, 1.5 ft
·
Ib)
T
R
.
.
37 N
·
m (3.7 kgf
·
m, 27.3 ft
·
Ib)
T
R
.
.
37 N
·
m (3.7 kgf
·
m, 27.3 ft
·
Ib)
T
R
.
.
3 N
·
m (0.3 kgf
·
m, 2.2 ft
·
Ib)
T
R
.
.
4 N
·
m (0.4 kgf
·
m, 3.0 ft
·
Ib)
Tiller handle

Table of Contents

Other manuals for Yamaha FT60D

Related product manuals