EasyManua.ls Logo

ABB CRB 1300 - Page 70

ABB CRB 1300
726 pages
Print Icon
To Next Page IconTo Next Page
To Next Page IconTo Next Page
To Previous Page IconTo Previous Page
To Previous Page IconTo Previous Page
Loading...
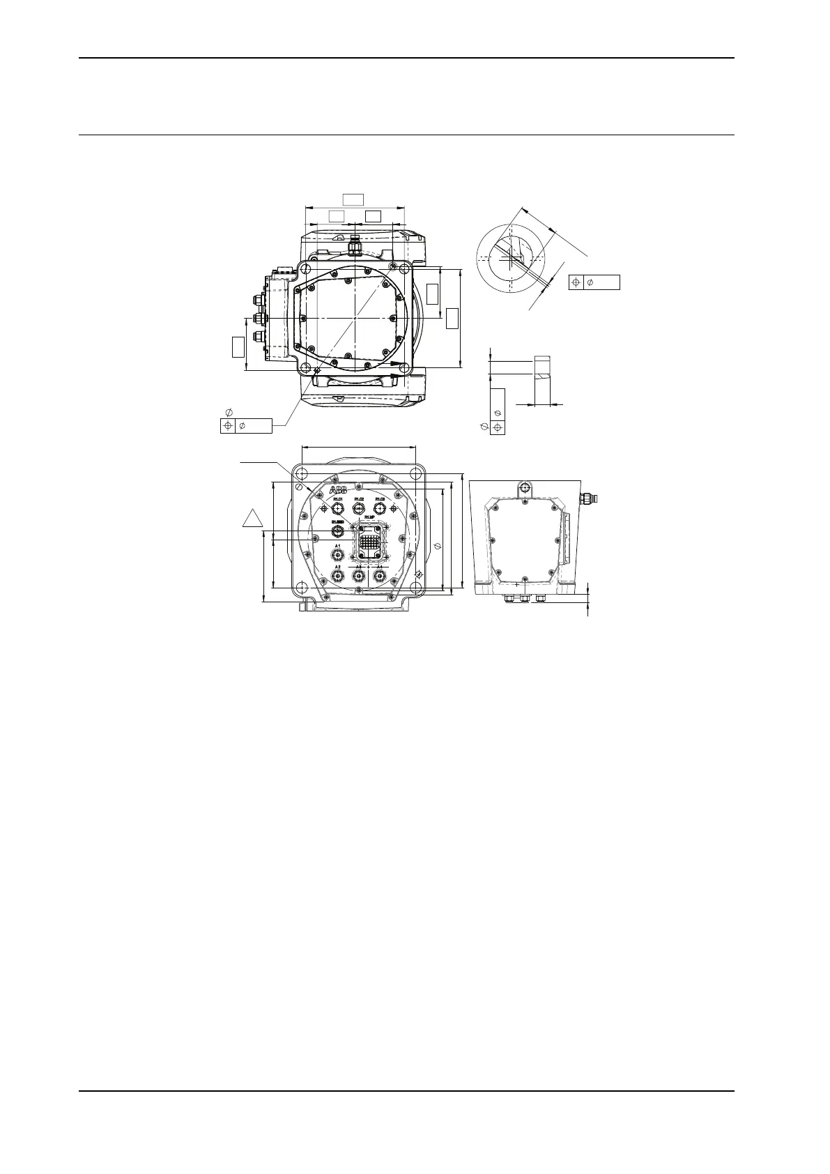
Hole configuration, base
This illustration shows the hole configuration used when securing the robot.
190
190
100
10
H7
+
0.015
0
73
100
73
A
B
B
Detail A
Section B
0.08
10
H7
+
0.015
0
0.5
0.5
0.08
18.5
22
0.2
R101,5
118
190
190
189
80
170
96
21
xx1900001337
70 Product manual - CRB 1300
3HAC083111-001 Revision: B
© Copyright 2022-2023 ABB. All rights reserved.
3 Installation and commissioning
3.3.3 Orienting and securing the robot
Continued

Table of Contents

Related product manuals