EasyManua.ls Logo

ABB HT580635 - Fig. 67: Fitting Gas Outlet Casing with Support 1; Table 50: Tightening Torque (51009)

ABB HT580635
192 pages
Print Icon
To Next Page IconTo Next Page
To Next Page IconTo Next Page
To Previous Page IconTo Previous Page
To Previous Page IconTo Previous Page
Loading...
Operation Manual / 4 Product description / A150-M56/66/57/67 -
A155-M..
9 Dismantling and fitting with removed air inlet and gas outlet / 9.19
Installing the gas outlet casing
© Copyright 2018 ABB. All rights reserved. HZTL4032_EN Revision H July 2018
Variant with support
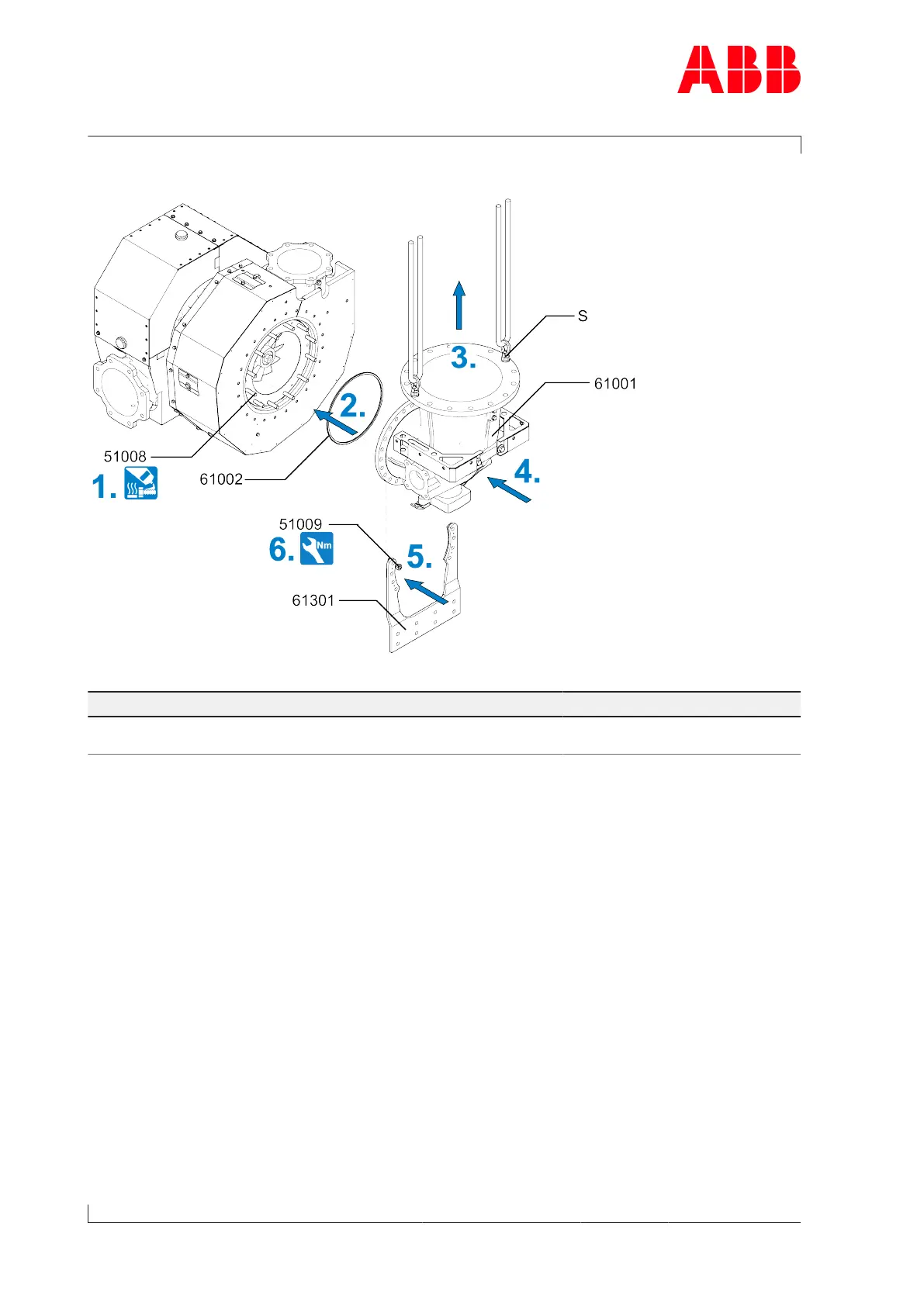
Fig.67: Fitting gas outlet casing with support 1
Part number A150-M A155-M
51009 M16
200Nm
M16
200 Nm
Table50: Tightening torque (51009)
1. Coat thread of bolts(51008) with high-temperature grease.
2. Insert a new gasket(61002) into the gas outlet casing(61001).
3. Fit swivel lifting eyes (S) to the gas outlet casing (61001). Secure lifting gear to the swivel
lifting eye.
4. Place gas outlet casing at turbine casing(51000). Observe the marking.
5. Fit the support (61301).
6. Fit hexagon nuts(51009). Observe the tightening torque.
Page 104 / 161

Table of Contents

Related product manuals