EasyManua.ls Logo

Agilent Technologies E4448A - Page 270

Agilent Technologies E4448A
436 pages
Print Icon
To Next Page IconTo Next Page
To Next Page IconTo Next Page
To Previous Page IconTo Previous Page
To Previous Page IconTo Previous Page
Loading...
270 Chapter 10
Replaceable Parts Lists and Locations
Hardware
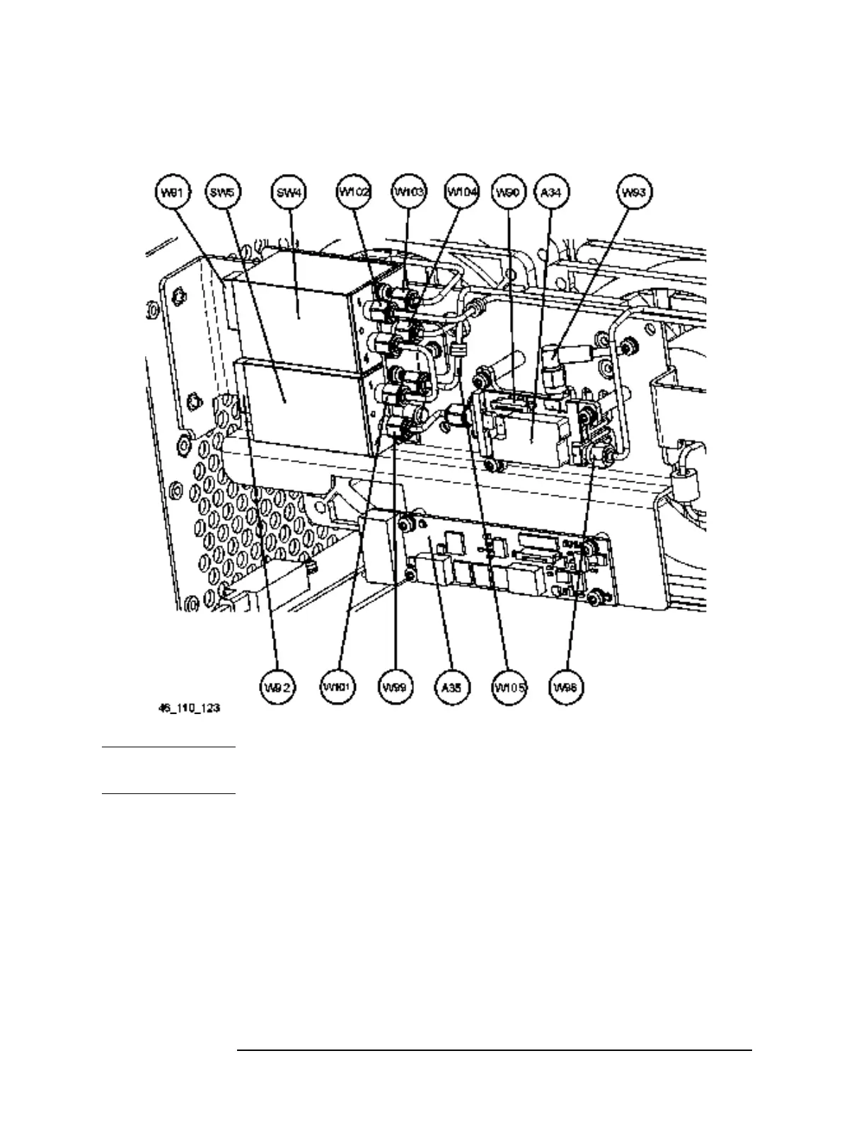
Figure 10-15 Options 110 and 123
E4446A, E4447A, E4448A
NOTE See Chapter 11, “Assembly Replacement Procedures,” on page 305 of
this service guide for views of Option 110 only or Option 123 only)

Table of Contents

Other manuals for Agilent Technologies E4448A

Related product manuals