EasyManua.ls Logo

Allen-Bradley Logix5000 - Function Block; Relay Ladder; Structured Text

Allen-Bradley Logix5000
708 pages
To Next Page IconTo Next Page
To Next Page IconTo Next Page
To Previous Page IconTo Previous Page
To Previous Page IconTo Previous Page
Loading...
Rockwell Automation Publication 1756-RM003N-EN-P - October 2011 251
Compare Instructions (CMP, EQU, GEQ, GRT, LEQ, LES, LIM, MEQ, NEQ) Chapter 5
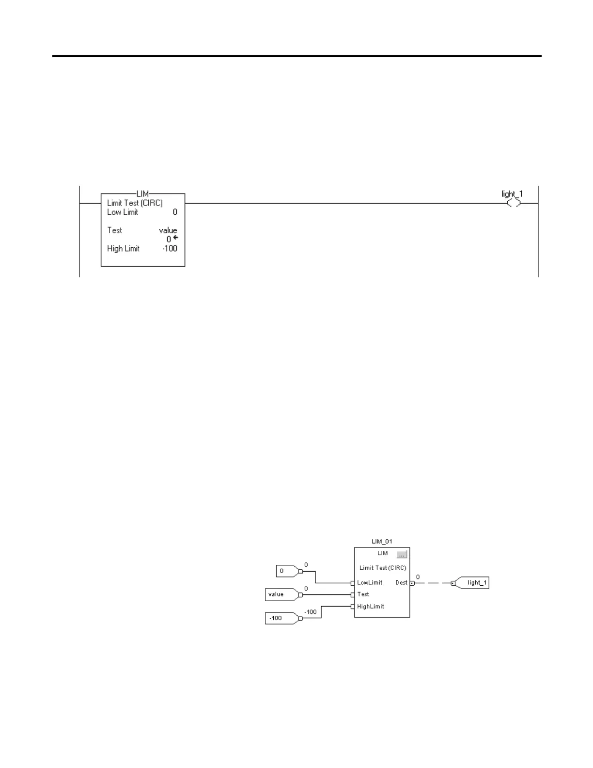
Example 2: Low Limit High Limit:
When value 0 or value ≤ −100, set light_1. If value < 0 or value >100,
clear light_1.
Relay Ladder
Structured Text
IF (0 <= -100 AND value >= 0 AND value <= -100)) OR
(0 >= -100 AND(value <= 0 OR value >= -100)) THEN
light_1 := 1;
ELSE
light_1 := 0;
END_IF;
Function Block

Table of Contents

Other manuals for Allen-Bradley Logix5000

Related product manuals