EasyManua.ls Logo

AMERITECH AM8a - Page 130

AMERITECH AM8a
152 pages
Print Icon
To Next Page IconTo Next Page
To Next Page IconTo Next Page
To Previous Page IconTo Previous Page
To Previous Page IconTo Previous Page
Loading...
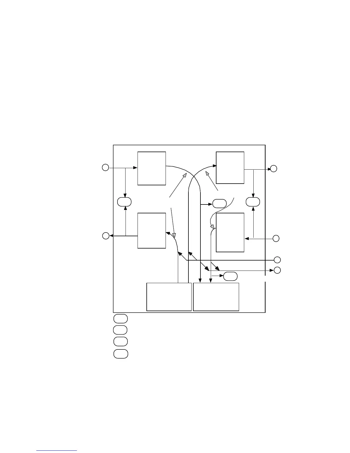
AM8a Instruction Manual (18-0037) Appendix A – PCM Operations
0037-S0A.L_54 February 10, 2000
A-3
RX
TX
TX
RX
PCM1
TRUNK
EMULATION/
SIGNALING
TRUNK
ANALYZE
D
E
M
U
X
M
U
X
M
U
X
D
E
M
U
X
AM8a PCM PROCESSING
PCM2
Channel 1 - 24
TIMS TX/2W
4
METER PCM 2 RX Channel Tone or Noise
1
2
3
4
PCM1
Emulation
PCM2
Emulation
METER PCM 1 RX Channel
1
2
METER PCM1
METER PCM2
3
Tone or Noise
}
RX dBdsx; BPV, FERR, CRC, SLIPS, YELLOW,
BLUE; TX-RX FRAME SYNC
TIMS RX
Figure A-2. Emulate PCM Processing Diagram

Table of Contents