EasyManua.ls Logo

Arkon MAGX2 - IP68 Transmitter

Arkon MAGX2
63 pages
Print Icon
To Next Page IconTo Next Page
To Next Page IconTo Next Page
To Previous Page IconTo Previous Page
To Previous Page IconTo Previous Page
Loading...
MAGX2 User Guide
56
V2.14 1-2-2017
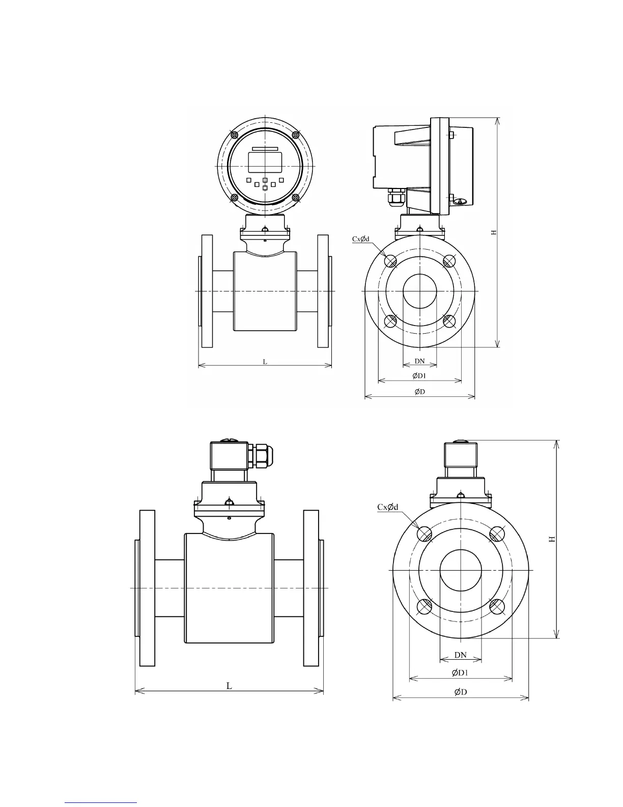
8.2. IP68 Transmitter
Compact version
Remote version

Table of Contents