EasyManua.ls Logo

Bitzer VARIPACK FMY+6-4 - Page 34

Bitzer VARIPACK FMY+6-4
138 pages
Print Icon
To Next Page IconTo Next Page
To Next Page IconTo Next Page
To Previous Page IconTo Previous Page
To Previous Page IconTo Previous Page
Loading...
CB-110-434
10 76 8 93 42 5
grau
grey
gris
braun
brown
marron
OLC-D1
blau
blue
bleu
orangerosa
pink
rosé
-B30
11
L
14
N
12
-K18
/1.4
1314
-K18
/1.4
1112
-M20-M17 -M06
-B53
1314
P
-P04
-K04
A1A2
1413 /1.4
1413 /2.3
B1
A2 A1
-K04T
120s
1314
-K04
/2.2
N4
/1.9
L4
/1.9
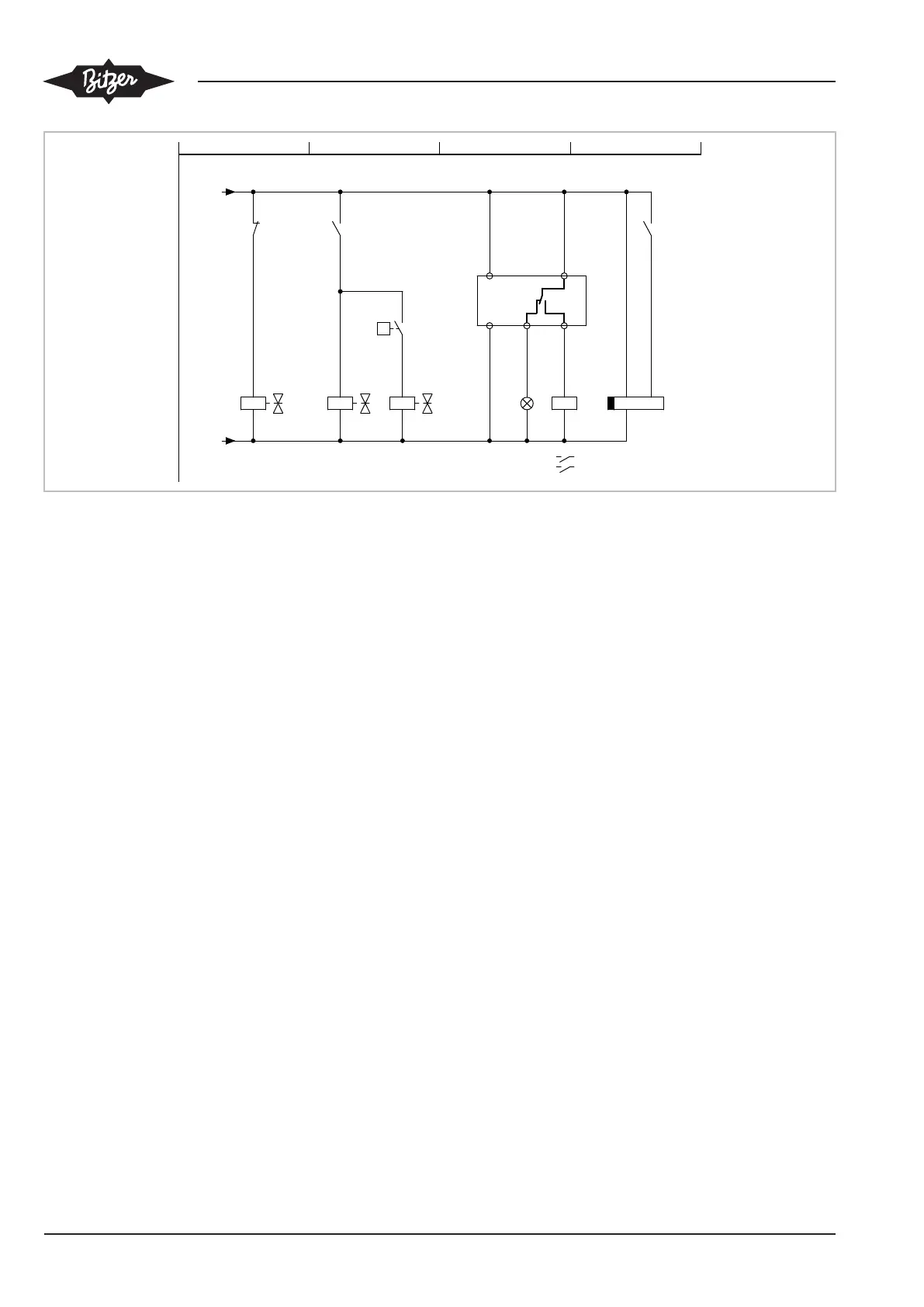
Fig.17: Oil monitoring HS.85 screw compressors

Table of Contents

Related product manuals