EasyManua.ls Logo

Bitzer VARIPACK FMY+6-4 - Page 78

Bitzer VARIPACK FMY+6-4
138 pages
Print Icon
To Next Page IconTo Next Page
To Next Page IconTo Next Page
To Previous Page IconTo Previous Page
To Previous Page IconTo Previous Page
Loading...
CB-110-478
10 76 893 42 5
-B42
-B50
pdis
5V
Signal
0V
-B51
psuc
5V
Signal
0V
Not in use
Signal
GND
+24V out
GND
Signal
GND
PTC-1
PTC-2
Signal
GND
Signal
GND
+5V out
Signal
+5V out
GND
Signal
GND
+24V out
DATA+
DATA-
GND
COM3
COM1
SE-i1
Oil flow
OLC/
Oil filter
Mot.
PTC
Toil/
Tdis
Taux
Pdis Psuc COM2
-B01
NC NO
C
N
L
PE 1 2 3 4 5 6 7 8 9 10 11 12 13 14 15 16 17 18 19 20 21 22 23
DFATA+
DATA-
GND
L1
L2
L3
-K01
0-10V GND 4-20mA
+24V
DI1 (Start)
DI2 (Force)
DI3 (Reset)
+10V
AI1 (V/p0)
0V
AO1 (Cond. fan)
0V
AI2 (mA/pc)
AO2
STO
Common
RL1-In
RL1-NO
RL1-NC
RL2-A
RL2-B
VARIPACK
-T02
L1 L2 L3 1 2 3 4 127 13
U V W
8 96 105 11
14 15 16 17 18PE
PE
-F01
12
34
56
56
34
12
-Q01
-F02
12
34
56
12
34
56
-Q05
I> I>I>
13
24
-T01
12
-F05
1314
-S01
x1x2
-P02
ready
-K19
/1.6
1314
-M01
3~
M
Θ
-S02
1112
12
-F07
21
-F03
4A t
1112
-K18
/1.4
1314
-K04
/2.2
1314
-B24
-E01
x1x2
/1.4
2324
-K18
A1A2
1211 /1.4
1211 /2.0
1413 /2.1
2423 /1.4
3433 /1.9
4241 /1.9
-E02
x1x2
x1x2
-P05
-K19
A1A2
1413 /1.3
-B21
-B02
-K18
/1.4
3334
-M13
-M14
-M40
/1.4
4142
1314
-B10
P
1314
-B11
P
-K4T
-B41
1112
P
L1
L2
L3
N
PE
L1
L2
L3
N4
L4
N
PE
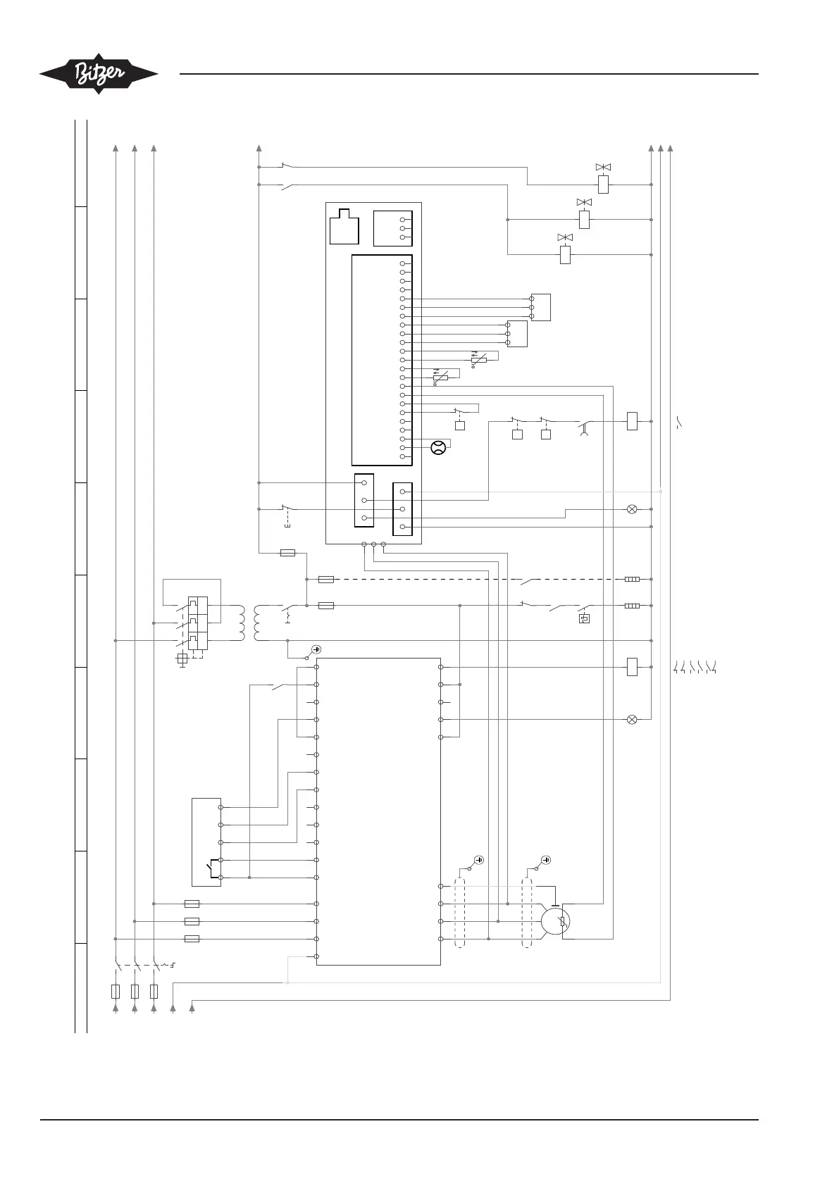
Abb.16: HS.85-Schraubenverdichter ohne Erweiterungsmodul

Table of Contents

Related product manuals