EasyManua.ls Logo

Bobcat MT55 - (MT55) MINI TRACK LOADER SPECIFICATIONS; Dimensions

Bobcat MT55
122 pages
Print Icon
To Next Page IconTo Next Page
To Next Page IconTo Next Page
To Previous Page IconTo Previous Page
To Previous Page IconTo Previous Page
Loading...
111 MT55 Operation & Maintenance Manual
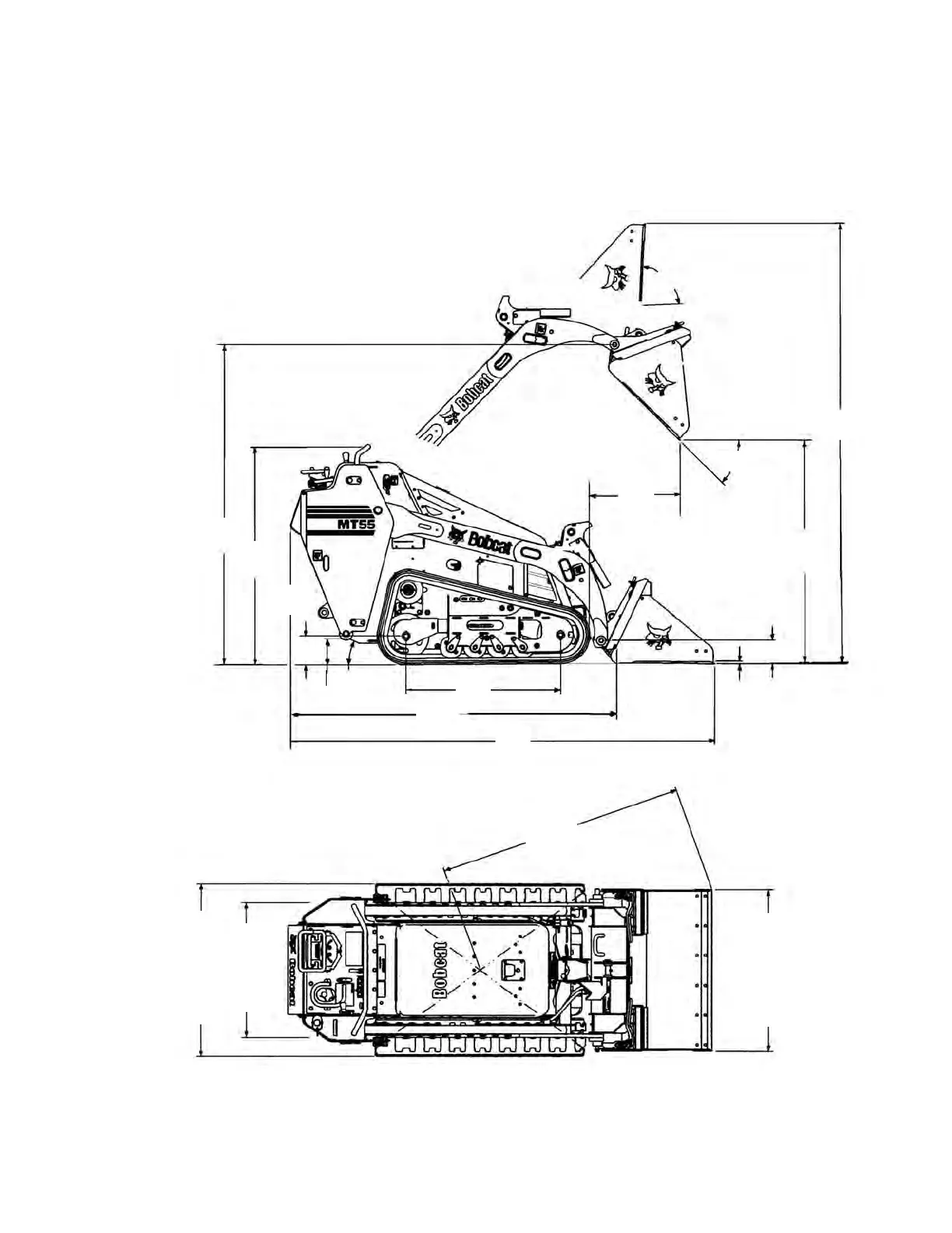
(MT55) MINI TRACK LOADER SPECIFICATIONS
Dimensions
Dimensions are given for mini track loader equipped with standard tracks and dirt bucket and may vary with other
bucket types.
Where applicable, specifications conform to SAE or ISO standards and are subject to change without notice.
Changes of structure or weight distribution of the loader can cause changes in control and steering response and can cause failure of the
loader parts.
23
°
1807 mm
(71.2) in
1246 mm
(49.1) in
114 mm
(4.5) in
162 mm
(6.4) in
463 mm
(18.2) in
1237 mm
(48.7 in)
864 mm
(34.0) in
2365 mm
(93.1) in
1395 mm
(54.9) in
132 mm
(5.2) in
12.7 mm
(0.5) in
50
°
82
°
2422 mm
(95.4) in
1839 mm
(72.4) in
1050 mm
(41.4) in
903 mm
(35.6) in
B-22743A
914 mm
(36.0) in
1118 mm
(44.0) in
Narrow
Track
Wide
Track
Option
724 mm
(28.5) in
801 mm
(31.5) in
Narrow
Bucket
Wide
Bucket
Option
113 of 122
Dealer Copy -- Not for Resale

Table of Contents

Related product manuals