EasyManua.ls Logo

Brother HL-L3210CW - Paper Jams

Brother HL-L3210CW
306 pages
To Next Page IconTo Next Page
To Next Page IconTo Next Page
To Previous Page IconTo Previous Page
To Previous Page IconTo Previous Page
Loading...
3-80
Confidential
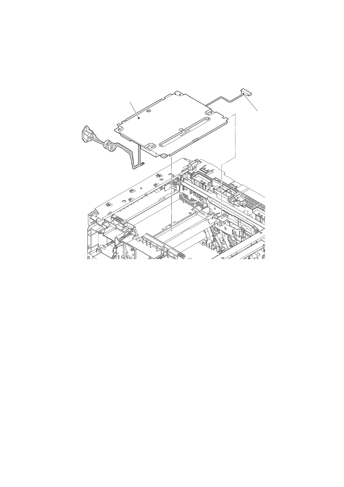
(8) Release the Low-voltage power supply harness from the securing fixtures.
(9) Remove the LVPS plate lower ASSY.
Fig. 3-72
Harness routing: Refer to “9. LVPS”.
LVPS plate lower ASSY
Low-voltage power
supply harness
<Bottom side>

Table of Contents

Other manuals for Brother HL-L3210CW

Related product manuals