EasyManua.ls Logo

Canon MV750i E - 2-2 High magnification (22×), high performance zoom lens

Canon MV750i E
225 pages
Print Icon
To Next Page IconTo Next Page
To Next Page IconTo Next Page
To Previous Page IconTo Previous Page
To Previous Page IconTo Previous Page
Loading...
MV750i E, MV730i E, MV700i E, MV700 E, MV690 E
GENERAL DESCRIPTION OF PRODUCT
12
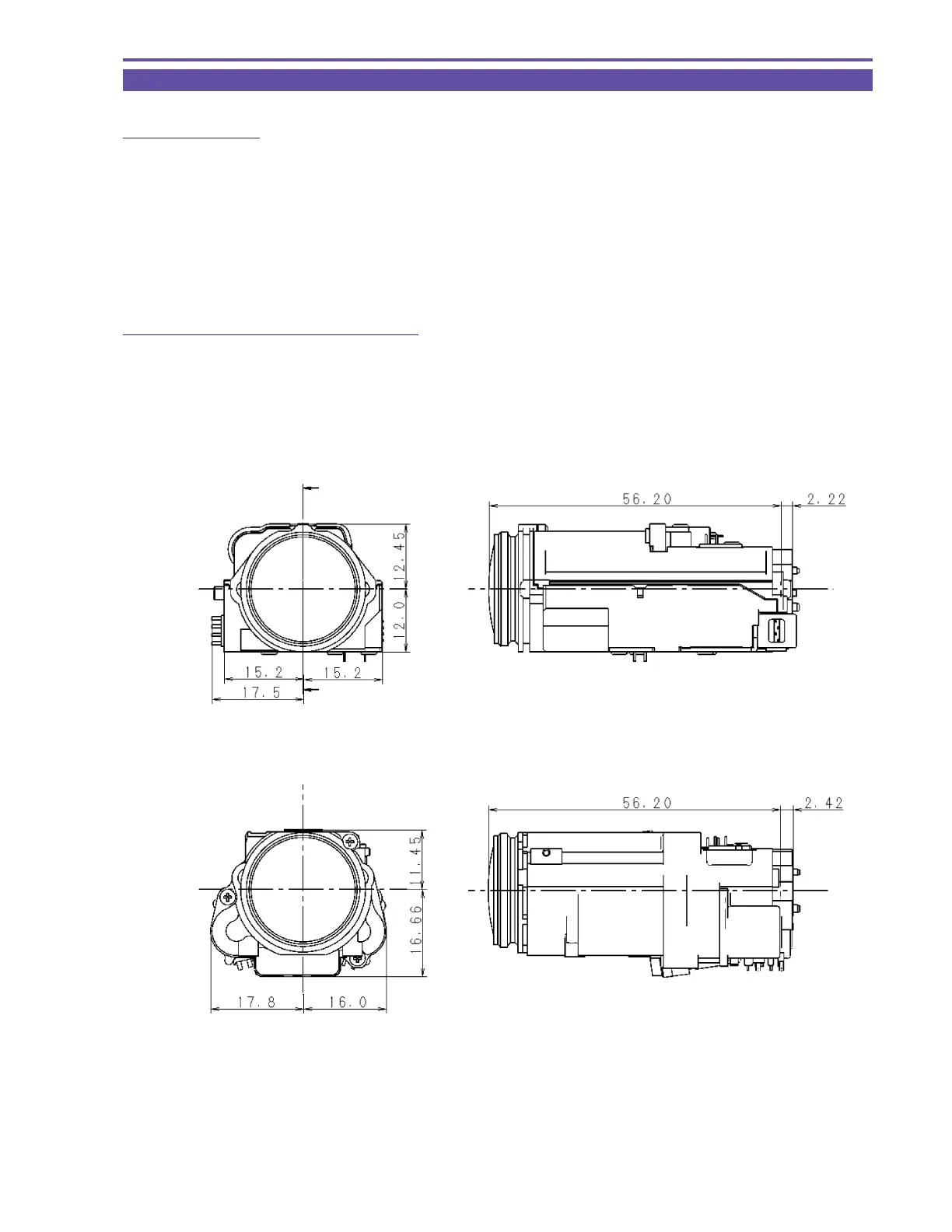
2-2 High magnification (22×), high performance zoom lens
2-2-1 Lens concept
Video lens for MV750i E, MV730i E, MV700i E, MV700 E, MV690 E (DM-MV650i E, DM-MV630i E, DM-MV600i E, DM-
MV600 E, DM-MV590 E successor model)
1/6-inch 680,000-pixel CCD (pixel pitch: 2.55 m) used
Same optical system (high magnification 22× lens and special placement of ND filter to reduce ghosting) with its already proven
track record used
New mechanism design developed with a view to reducing the overall height and projection surface area as compared with the
DM-MV650i E, DM-MV630i E, DM-MV600i E, DM-MV600 E, DM-MV590 E lens
2-2-2 New technologies and new functions
Smaller lens barrel (a more compact lens unit has been created using the same technique as for the DM-MV5i MC E, DM-MV5 E,
DM-MV5i E)
Reduction in overall height achieved by adopting an iris with drive unit offset and a connecting lever
Projection surface area from the front reduced by 2-sided lens barrel structure
Lens incorporated in MV750i E, MV730i E, MV700i E, MV700 E, MV690 E
Lens incorporated in DM-MV650i E, DM-MV630i E, DM-MV600i E, DM-MV600 E, DM-MV590 E

Table of Contents

Related product manuals