EasyManua.ls Logo

Canon MV750i E - 2-3 Power Supply Circuits

Canon MV750i E
225 pages
Print Icon
To Next Page IconTo Next Page
To Next Page IconTo Next Page
To Previous Page IconTo Previous Page
To Previous Page IconTo Previous Page
Loading...
MV750i E, MV730i E, MV700i E, MV700 E, MV690 E
TECHNICAL DESCRIPTION
5
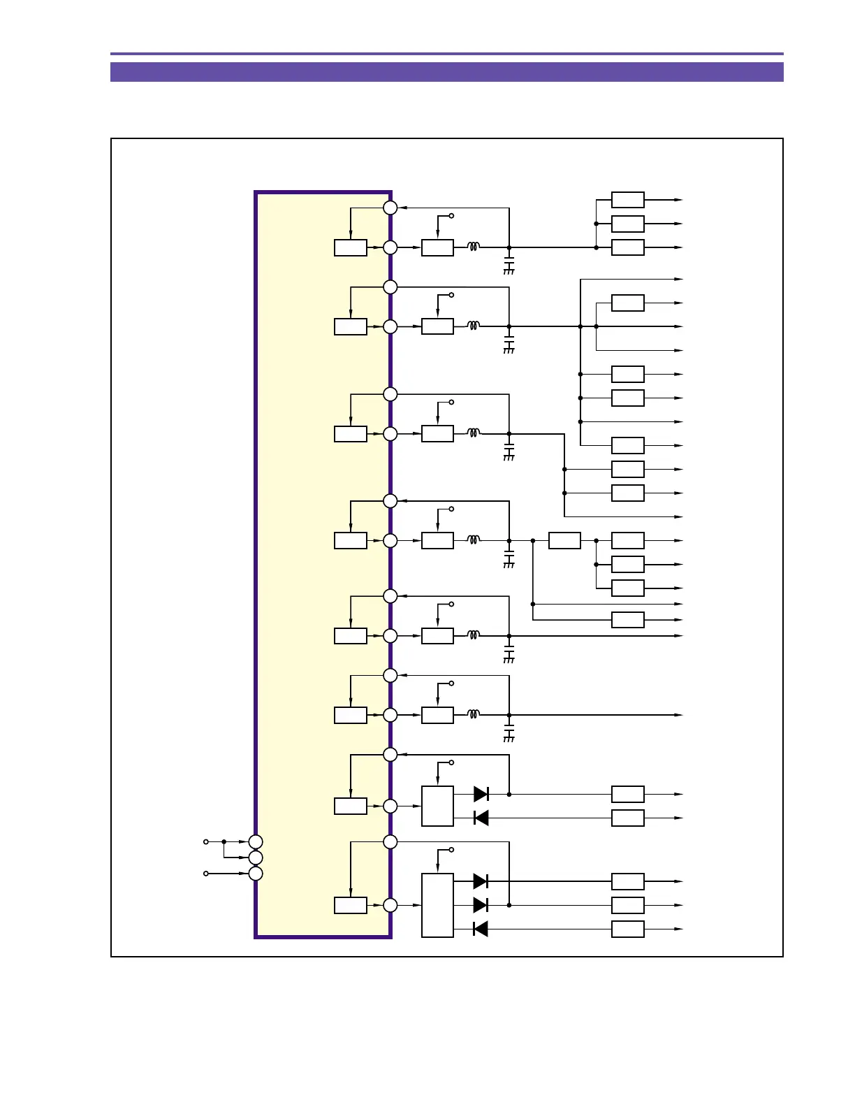
2-3 Power Supply Circuits
Figure 3 shows the power supply circuits.
The ON/OFF condition of each power supply voltage is controlled by the VTR ON / CAM ON signals output from the MODE MI-COM.
Fig. 3
IC3201
DC/DC
CONVERTER
CONTROL
DVDD 2.7V
AA 2.7V
MICOM 3V
LCD 3V
LCD -10V
LCD 8.5V
REG.
REG.
62
11
PWM
28
30
53
43
PWM
LCD 15V
VTR ON
CAM ON
SDRAM 2.7V
DIF 2.7V
AVDD 2.7V
DVDD 3V
CAM 3V
HA 3V
Q3203
REG.
56
40
PWM
Q3205
MAIN P.C.B.
31
60
21
Q3207
REG.
LPF
P 5V
HA 4.7V
LPF
LPF
LPF
LPF
LCD 5V
LPF
VIF 4.7V
LPF
REG.
LPF
LPF
LPF
LPF
LPF
LPF
LPF
LPF
LPF
LPF
MACS 1.4V
LPF
PWM
CH-5
UNREG
DRUM VM
AA 4.7V
57
37
Q3206
REG.PWM
CH-4
UNREG
CCD 1 5V
CCD -7V
64
5
REG.
PWM
CH-7
UNREG
DVDD 1.4V
AVDD 1.4V
DVDD 2.5V
50
46
Q3204
IC3203
REG.PWM
CH-1
CH-8
CH-2
UNREG
CAP VM
61
15
Q3208
REG.PWM
CH-6
UNREG
UNREG
UNREG
CH-3
UNREG

Table of Contents

Related product manuals