EasyManua.ls Logo

Dirui CS-T240 - Refrigeration System

Dirui CS-T240
124 pages
Print Icon
To Next Page IconTo Next Page
To Next Page IconTo Next Page
To Previous Page IconTo Previous Page
To Previous Page IconTo Previous Page
Loading...
45
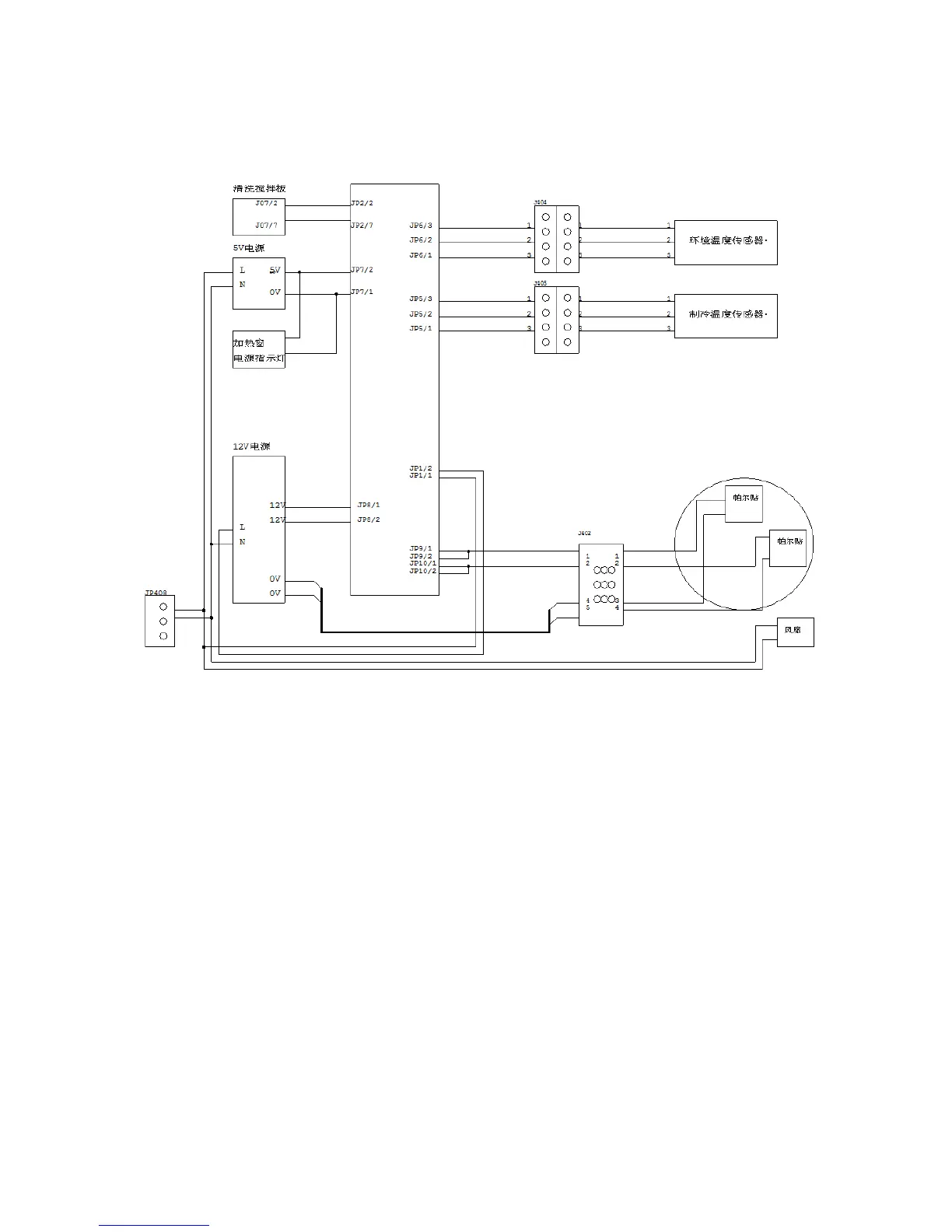
6.4.2 Refrigeration system
1. Wiring
2. Function
Refrigeration system is composed of semiconductor refrigeration module, radiator, fan.
The main function of refrigeration board is controlling the semiconductor refrigeration module, to
keep the reagent disk temperature within 6-10.
As shown in the figure :
U1refrigeration control board is the CPU of refrigeration system. It controls the working of
refrigeration system on the basis of the reagent disk temperature detected by temperature sensor.
Semiconductor refrigeration module and fan are controllable. The refrigeration control board starts
when the temperature beyond 6-10 to adjust the temperature. It also communicates with the main
control board.
DS18B20the sensor used to detect the reagent disk and environment temperature
D1D2semiconductor cooling modulePeltier
N312V switch power
N25V switch power
6.4.3 Main control board

Table of Contents