EasyManua.ls Logo

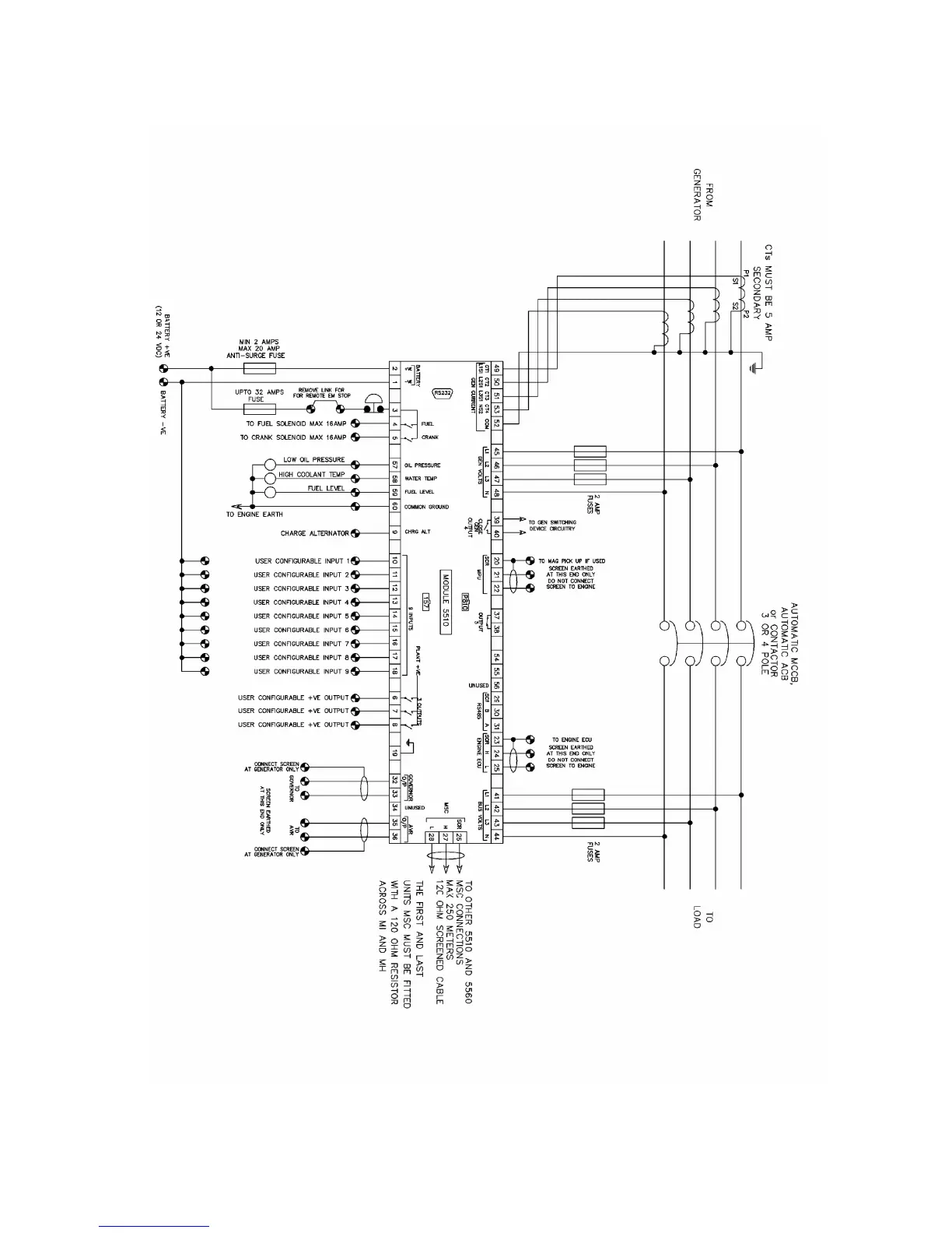
DSE DSE5510 - 13.2 CONNECTIONS FOR 4 CT SYSTEM

DSE DSE5510
78 pages
Print Icon
To Next Page IconTo Next Page
To Next Page IconTo Next Page
To Previous Page IconTo Previous Page
To Previous Page IconTo Previous Page
Loading...
DSE Model 5510 Autostart Control and Instrumentation System Operators Manual
057-015 5510 OPERATING MANUAL ISSUE 11 07/07/09 AM 62
13.2 CONNECTIONS FOR 4 CT SYSTEM

Table of Contents

Related product manuals