EasyManua.ls Logo

Emerson Unidrive M702 - Menu 4: Torque and Current Control

Emerson Unidrive M702
284 pages
To Next Page IconTo Next Page
To Next Page IconTo Next Page
To Previous Page IconTo Previous Page
To Previous Page IconTo Previous Page
Loading...
Safety
information
Product
information
Mechanical
installation
Electrical
installation
Getting
started
Basic
parameters
Running
the motor
Optimization
NV Media Card
Operation
Onboard
PLC
Advanced
parameters
Technical
data
Diagnostics
UL listing
information
164 Unidrive M702 User Guide
Issue Number: 3
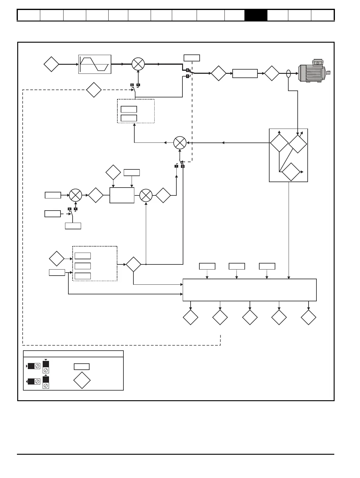
11.4 Menu 4: Torque and current control
Figure 11-10 Menu 4 Open loop logic diagram
04.008
04.010
04.009
10.00910.008
04.015 04.016
04.018
11.032
05.007
04.005
04.006
Motoring
Regenerating
Current limits
04.007
Symmetrical
Maximum
Heavy Duty
Rating
Rated
Current
Final
Current Limit
04.003
Final
Torque
Reference
Torque Offset
Torque
Reference
Torque
Offset
Select
+
Motor Thermal
Time Constant 1
Thermal
Protection
Mode
Rate
Load Reached
Current Limit
Active
Current
Magnitude
Magnetising
Current
04.002
04.020
- Active
Current
(Amp)
- Percentage
Load
04.002
04.020
10.01704.019
Motor
Protection
Accumulator
Motor Overload
Alarm
10.039
Braking Resistor
Thermal
Accumulator
04.004
Current
Reference
Torque to
current
conversion
05.006
Output
Frequency
05.001
Rated
Frequency
05.001
Motor map
2.01
Post Ramp
Reference
Output
Frequency
02.001
Torque Mode
Selector
04.011
04.013
04.014
P Gain
I Gain
Current loop
10.009
Current
Limit
Active
2.01
Pre Ramp
Reference
01.003
Menu 2 ramp
controller
+
+
_
04.025
Low Speed Thermal
Protection Mode
Overload detection
+
+
+
_
04.001
04.017
Torque
Producing
Current
mm.ppp
mm.ppp
Key
Read-write (RW)
parameter
Read-only (RO)
parameter
Input
terminals
Output
terminals
X
X
X
X
The parameters are all shown in their default settings

Table of Contents

Other manuals for Emerson Unidrive M702

Related product manuals