EasyManua.ls Logo

Emerson Unidrive M702 - Menu 5: Motor Control; Menu 5 Open-Loop Logic Diagram

Emerson Unidrive M702
284 pages
To Next Page IconTo Next Page
To Next Page IconTo Next Page
To Previous Page IconTo Previous Page
To Previous Page IconTo Previous Page
Loading...
Safety
information
Product
information
Mechanical
installation
Electrical
installation
Getting
started
Basic
parameters
Running
the motor
Optimization
NV Media Card
Operation
Onboard
PLC
Advanced
parameters
Technical
data
Diagnostics
UL listing
information
168 Unidrive M702 User Guide
Issue Number: 3
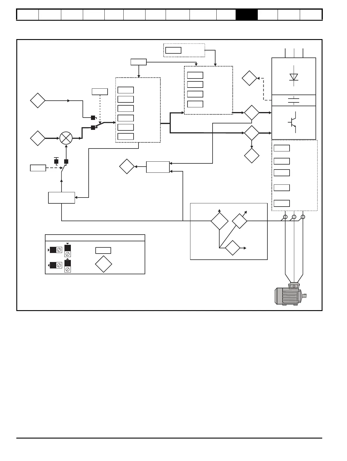
11.5 Menu 5: Motor control
Figure 11-13 Menu 5 Open-loop logic diagram
02.001
Post Ramp
Reference
+
+
03.001
Slaving Frequency
Demand
1
0
05.010
05.011
Rated
Power Factor
Number Of
Motor Poles
05.002
Output
Voltage
05.003
Output
Power (kW)
Ö 3xVxI
Volt
L1 L2 L3
05.005
DC Bus
Voltage
05.009
Rated
Voltage
05.007
05.008
Rated
Current
Rated
Speed
05.006
Rated
Frequency
05.017
Stator
Resistance
05.015
Low Frequency
Voltage Boost
05.013
Dynamic V To F
Select
Transient
Inductance
04.002
04.020
04.017
04.001
Current
Magnitude
Magnetising
Current
Torque
Producing
Current
Percentage
Load
Motormap
05.012
Autotune
05.024
05.014
Open-Loop
Control Mode
05.001
Output
Frequency
05.004
Motor
RPM
1
0
Slip
compensation
Enable
Slip
Compensation
05.027
03.013
Enable
Frequency
Slaving
05.018
05.019
Maximum
Switching
Frequency
High Stability
Space Vector
Modulation
Hertz
05.020
05.035
Quasi Square
Enable
Auto Switching
Frequency
Change Disable
05.031
Voltage
Controller
Gain
mm.ppp
mm.ppp
Key
Read-write (RW)
parameter
Read-only (RO)
parameter
Input
terminals
Output
terminals
X
X
X
X
The parameters are all shown in their default settings

Table of Contents

Other manuals for Emerson Unidrive M702

Related product manuals