EasyManua.ls Logo

Enertech AV Series - Piping Diagram - Hydronic Air Handler

Enertech AV Series
76 pages
Print Icon
To Next Page IconTo Next Page
To Next Page IconTo Next Page
To Previous Page IconTo Previous Page
To Previous Page IconTo Previous Page
Loading...
Enertech Global, LLC 28
AV : MD/ME - Rev. A Models
Installaon and Operaons Manual
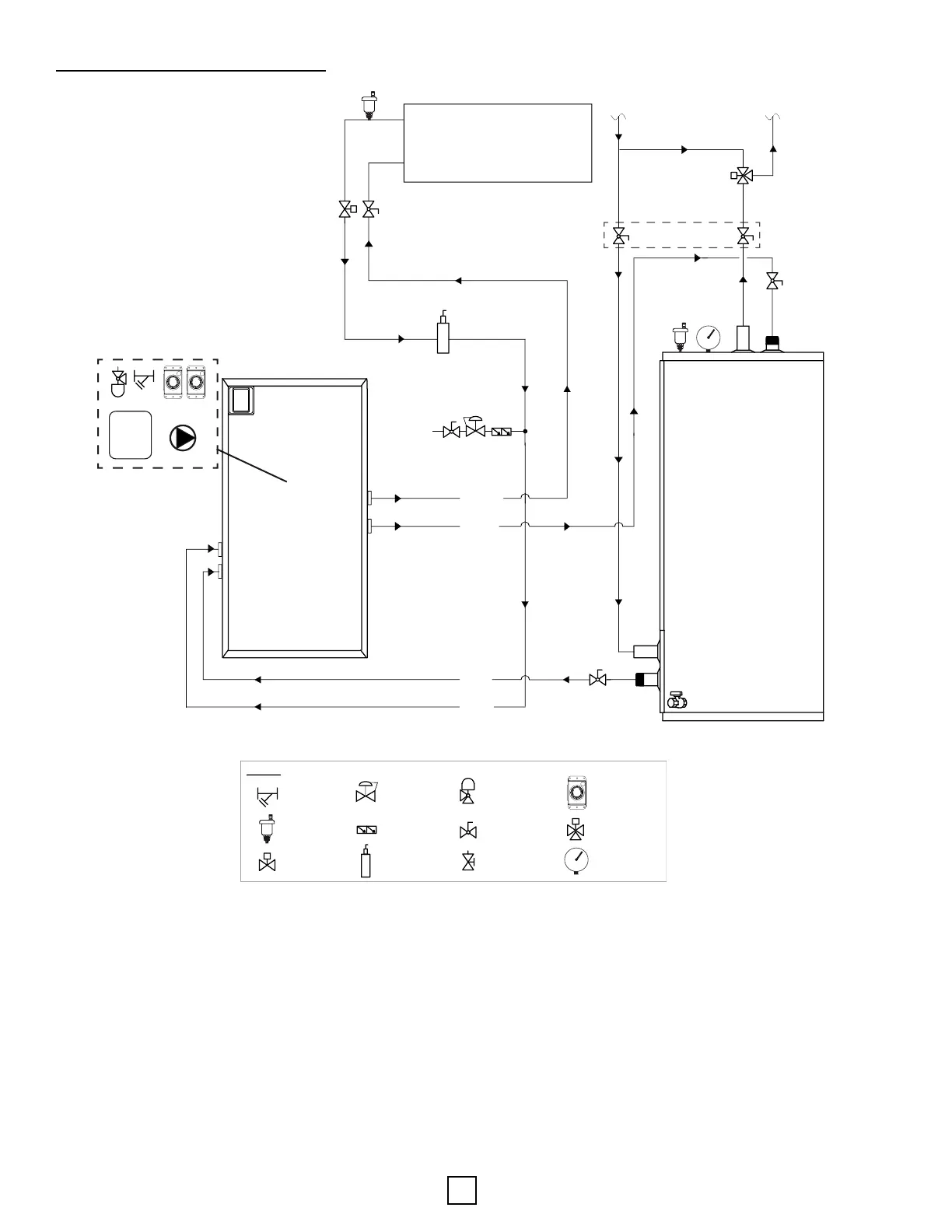
Secon 5: Unit Piping
Piping Diagram - Hydronic Air Handler
NOTE 6
HYDRONIC AIR HANDLER
OR PANEL RADIATOR
ZONE 1
NOTE 5
DHW OUT
LOAD OUT
NOTE 5
NOTE 5
DOMESTIC
HOT
WATER
DOMESTIC
COLD
WATER
HOT
COLD
LOAD
IN
LOAD
OUT
AUTOMATIC
AIR VENT
3-WAY FLUSH
VALVE
ANTI-SCALD OR
MIXING VALVE
PRESSURE
GAUGE
ΔP
LEGEND
WYE STRAINER
ACTUATED
ZONE VALVE
PRESSURE
REDUCING VLV
BACK-FLOW
PREVENTER
AIR SEPARATOR
DIF. PRESSURE
BYPASS VALVE
ISOLATION BALL
VALVE
BOILER DRAIN
NOTE 5
ΔP
Expan.
Tank
INDOOR UNIT
LOAD IN
DHW IN
FACTORY INSTALLED
INTERNAL TO UNIT
TURBOMAX 65
WATER HEATER
FOR TYPICAL
RESIDENTIAL
APPLICATIONS
(FOR LARGER DOMESTIC
HOT WATER NEEDS SEE
DHW SECTION IN IOM)
NOTE 5
MAKE-UP WATER OR
GLYCOL FEEDER
NOTE 6
NOTES:
1. INSTALLATION DIAGRAM SHOWN ABOVE IS AN EXAMPLE OF A TYPICAL (RECOMMENDED) INSTALL. ADDITIONAL ZONES ARE
ALLOWED, AS WELL AS ALERNATE PIPING LAYOUTS.
2. UNIT CONFIGURATION INCLUDES INDIRECT DHW TANK.
3. A HOSE KIT HAS BEEN PROVIDED WITH THE UNIT AND SHOLD BE INSTALLED AT THE OUTDOOR UNIT.
4. ALL PIPING MUST BE “HOME RUN” STYLE. ALL RADIANT MANIFOLDS AND AIR HANDLER UNIT ZONE VALVES SHOULD BE LOCATED
IN THE MECHANICAL ROOM TO FACILITATE FLUSHING/PURGING OF AIR FROM SYSTEM.
5. FIELD PROVIDED FOR FUTURE SERVICE
6. MOUNT AT THE HIGHEST POINT ON THE RETURN LINE.
7. ALWAYS CHECK LOCAL CODE REQUIREMENTS TO ENSURE THAT THE INSTALLATION MEETS CURRENT REGULATORY STANDARDS.

Table of Contents

Related product manuals