EasyManua.ls Logo

Epson PowerLite 5000 - Page 120

Epson PowerLite 5000
127 pages
Print Icon
To Next Page IconTo Next Page
To Next Page IconTo Next Page
To Previous Page IconTo Previous Page
To Previous Page IconTo Previous Page
Loading...
EPSON PowerLite 5000 Service Manual
A-12
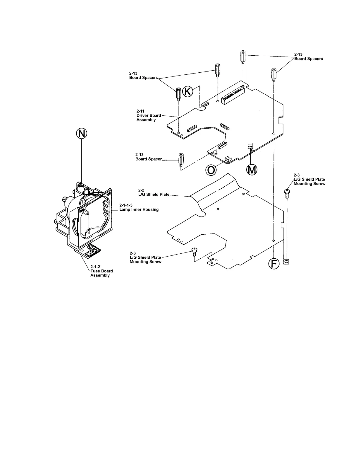
Figure A-10

Table of Contents

Other manuals for Epson PowerLite 5000

Related product manuals