EasyManua.ls Logo

Farr HD8625 - C. HYDRAULIC SCHEMATICS & VALVE IDENTIFICATION

Farr HD8625
156 pages
Print Icon
To Next Page IconTo Next Page
To Next Page IconTo Next Page
To Previous Page IconTo Previous Page
To Previous Page IconTo Previous Page
Loading...
Technical Manual
hD8625 8-
5
/
8
” 35K Tong
2.7
C. HYDRAULIC SCHEMATICS & VALVE IDENTIFICATION
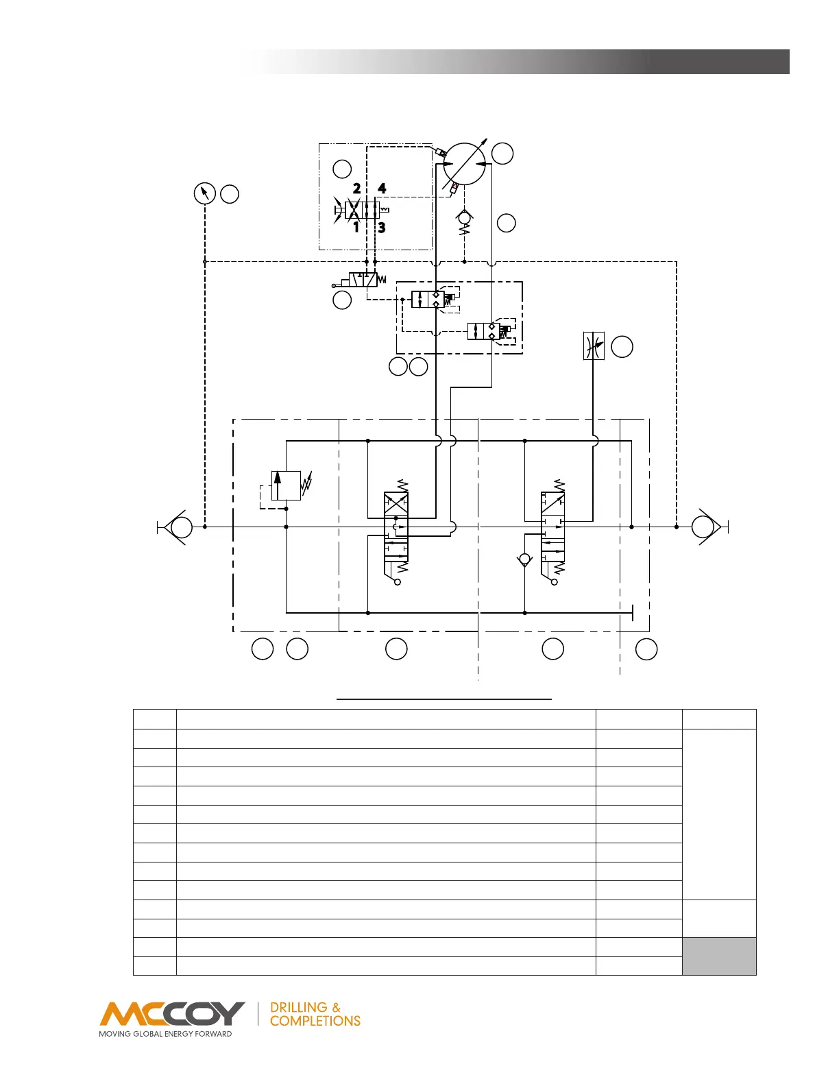
IllustratIon 2.C.1: HyDraulIC sCHematIC
seTup & operaTion
Item Description Part Number Page
1 InletValve 10-9016
2.8
2
ReliefValve,2000-3500PSI 10-0062
3
MotorValveSection 10-9014
4
LiftCylinderValveSection(Optional) 10-9015
5
OutletSection 10-0086
6
LiftCylinderFlowControlValve(Optional) 08-9062
7
Two-SpeedMotor 87-0007
8
MotorShiftValve 10-9035
9
SafetyDoorSwitch 08-0337M
10
SafetyDoorCheckValve 08-1625
2.9
11
SafetyDoorValveBlock 101-0727
12
PressureGauge,0-3000PSI(Optional-NotShown) 02-0245
13
CheckValve(Optional-NotShown) 08-9022
TONG MOTOR
P
8
10
11
12
13
1 2 3 4
6
7
T
5
LIFT
OPTIONAL
G
2
4
1
3
T
P
OPTIONAL (TWO SPEED)
TWO SPEED SHOWN
9

Table of Contents

Related product manuals