EasyManua.ls Logo

Fike FCP-75 - Unshielded Twisted Pair Wiring between Multiple Panels

Fike FCP-75
146 pages
Print Icon
To Next Page IconTo Next Page
To Next Page IconTo Next Page
To Previous Page IconTo Previous Page
To Previous Page IconTo Previous Page
Loading...
54 FCP-75 Manual — P/N LS10147-003FK-E:A 3/17/2021
Networking Common Communicator List FIK-NIC Wiring Options
5. Based on the type of data medium chosen, run the twisted pair wiring/fiber optic cable to the next FIK-NIC using a class B or class A
wiring method. A combination of both medium types can be used. See Figure 5.55, Figure 5.56, Figure 5.57, and Figure 5.58 for FIK-
NIC wiring examples.
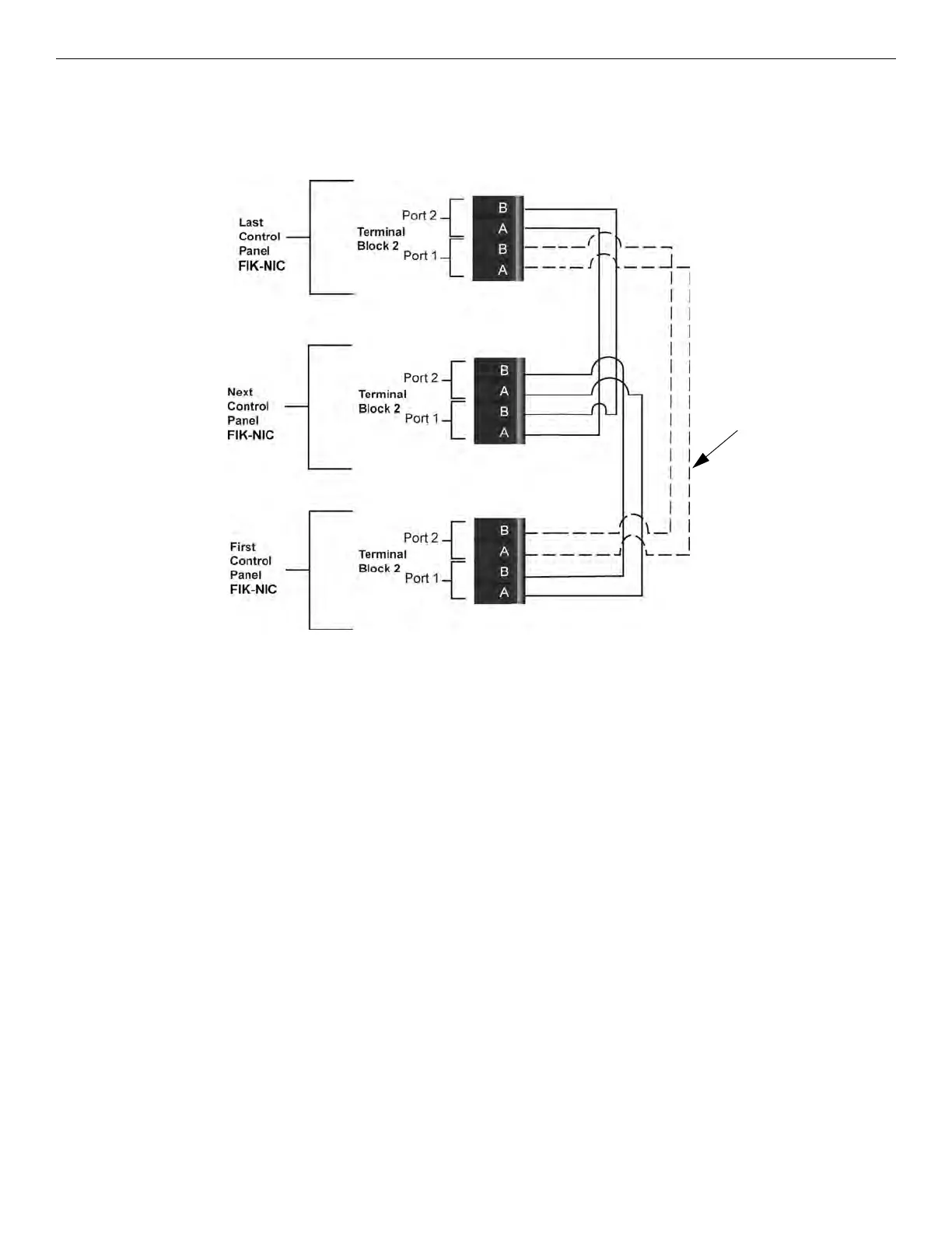
Unshielded Twisted Pair Wiring between Multiple Panels
Unshielded twisted pair wiring between multiple panels is shown in Figure 5.55. Class A wiring is shown with a dotted line.
Figure 5.55 Twisted Pair Wiring Configuration
Class A
wiring

Table of Contents

Related product manuals