EasyManua.ls Logo

Fiori DB 460 - Axle and Wheels; Checking and Topping up the Oil Level in the Front and Rear Axles; Cleaning the Axle and Differential Bleeders

Fiori DB 460
252 pages
Print Icon
To Next Page IconTo Next Page
To Next Page IconTo Next Page
To Previous Page IconTo Previous Page
To Previous Page IconTo Previous Page
Loading...
124
5
MAINTENANCE
id.:
DB 460 REV. 00 02/01/2015
5.8 AXLE AND WHEELS
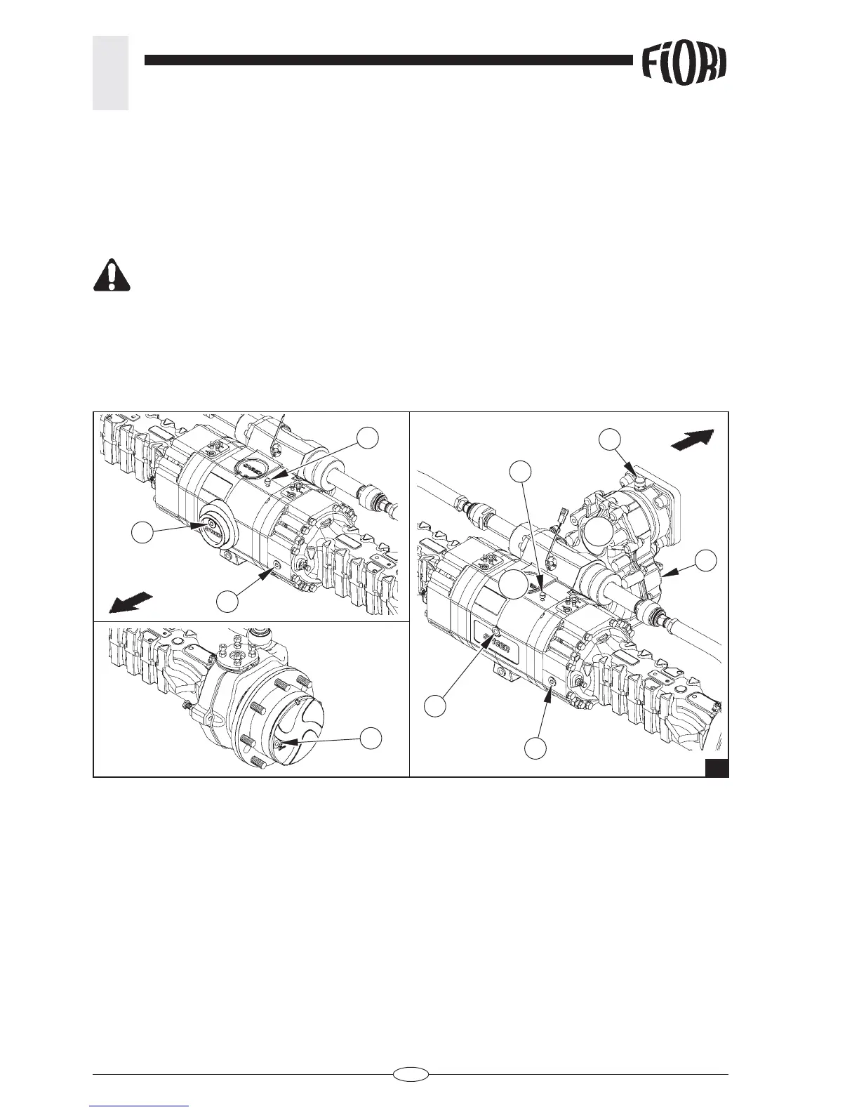
5.8.1 CLEANING THE AXLE AND DIFFERENTIAL BLEEDERS ( g. 7)
Never use petrol, solvents or ammable liquids in general for cleaning.
Use only approved non- ammable and non-toxic commercial solvents.
- Remove any dirt from the bleeders (1) located on both the axles and the differentials.
CAUTION: Before proceeding, always read the safety regulations for the operations to be carried out
as set out in Chapter 3.
5.8.2 CHECKING AND TOPPING UP THE OIL LEVEL IN THE FRONT AND REAR AXLES ( g. 7)
CAUTION: Before proceeding, always read the safety regulations for the operations to be carried out
as set out in Chapter 3.
CAUTION: The gearbox housing A is connected to the axle B, therefore the optimal oil level of the axle
corresponds to that of the gearbox housing.
- Unscrew the ller cap (2) and the level gauge caps (3) - (4) (in horizontal position).
- If oil trickles from the level gauge caps (3) - (4) , it is not necessary to top up; if not, top up using a funnel
adding oil through the ller cap (2) and the level gauge cap (4) until reaching the optimal level.
- Screw all the caps back on after topping up.
- Park the vehicle on level ground, turn off the engine, apply the parking brake, lower the arm and remove the
ignition key.
DANGER:
7
3
A
B
2
4
2
1
3
1
2
3

Table of Contents