EasyManua.ls Logo

GE ALPS - Page 38

GE ALPS
366 pages
Print Icon
To Next Page IconTo Next Page
To Next Page IconTo Next Page
To Previous Page IconTo Previous Page
To Previous Page IconTo Previous Page
Loading...
1-26 ALPS Advanced Line Protection System
GE Power Management
1.8 PROTECTION SCHEMES 1 PRODUCT DESCRIPTION
1
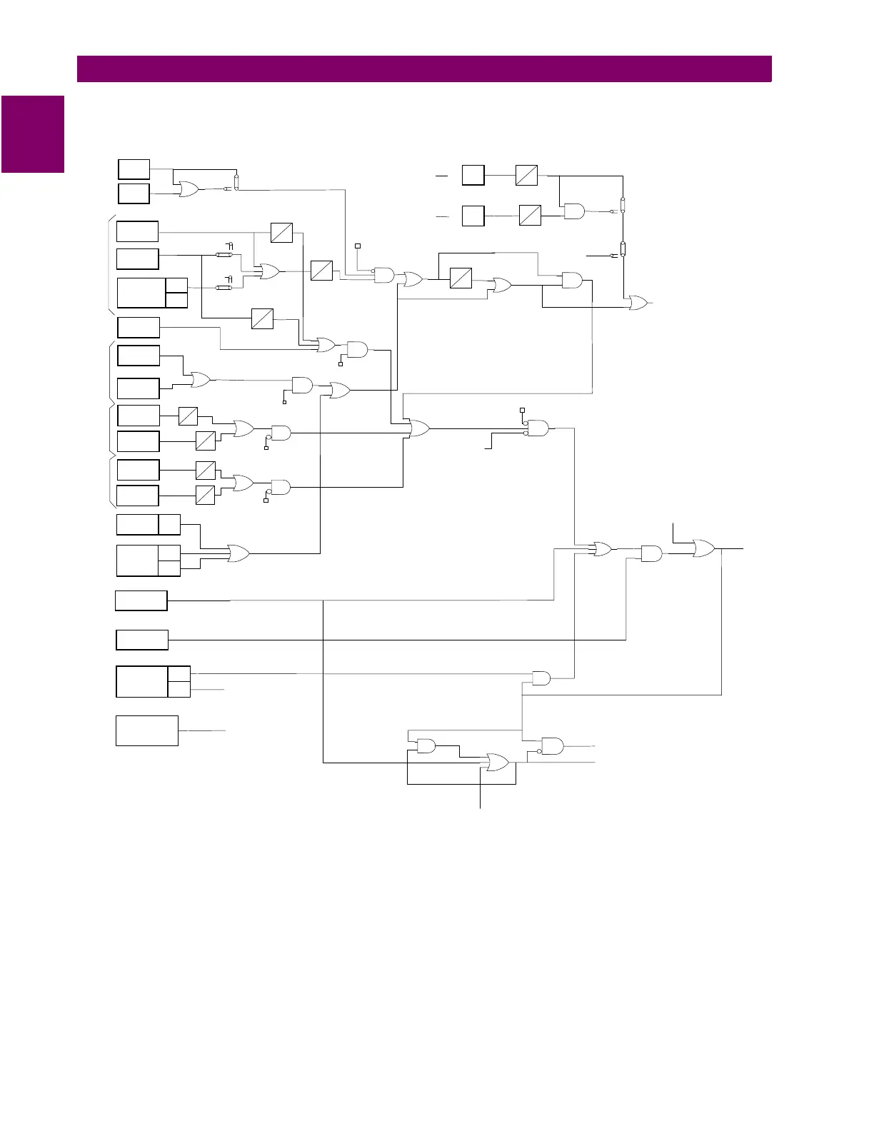
Figure 1–12: PUTT LOGIC DIAGRAM
FAULT
DETECTOR
LINE PICKUP
(
CANCL
)
(
RI
)
3
4
F = 1 to 50
TL1
F
50
0
B
3
407
8
10
KEY
PERMISSIVE
CHANNEL
(
ZONE 2
)
2
[2 RCVRS]
[1 RCVR]
21
CC
(
RCVR1
)
CC
(
RCVR2
)
TL2G
B
0
REF
REF
TL2P
PHASE
DISTANCE
GROUND
DISTANCE
GROUND
DIRECTIONAL
OVER-
CURRENT
REMOTE
OPEN
PHASE
DISTANCE
GROUND
DISTANCE
GROUND
BACKUP
OVER-
CURRENT
SUPERVISION
PHASE
DISTANCE
GROUND
DISTANCE
PHASE
DISTANCE
GROUND
DISTANCE
PHASE
BACKUP
OSBALL
FFB
Settin
g
714
C
0
C
0
D
0
D
0
TL4G
TL4P
TL3G
TL3P
13
28
12
11
OSB
1
4
25
11
11
C = 0.4 to 6 sec
D = 0.4 to 6 sec
(
ZONE 4
)
OSB
OSB
(
ZONE 3
)
REVERSIBLE
ZONE 4
ZONE 3
ZONE 1
OVERREACHING ZONE /
ZONE 2
13
OSB
OSB
Settin
g
1202
(
KEY1
)
(
KEY2
)
Setting
205
PUTT3.VSD
OUT OF STEP
BLOCKING
LOGIC
OSB
Settin
g
s
1601 to 1607
(
CNFTRP
)
CONFIGURABLE
TRIP BUS
8
RECLOSE CANCEL
RECLOSE INITIATE
BLOCK
RECLOSING
SETT# 801-810
9
9
(
TRIP
)
TRIP
BUS
44
7
7
6
SUPERVISE
ZONE 4
E
E
E
E
TL5
TL6
E = 0 to 200 sec
52-1
b
52-2
b
[2 BREAKERS]
[1BREAKER]
Settin
g
G105
5
A
A
TL4
A = 0 to 50
sec
[1 RCVR]
Settin
g
1202
[2 RCVRS]
LOGIC 1
5
IT
IB
50G
51G
50P
TRIP
BLOCK
B = 0.2 to 3.0 sec
CC
CC

Table of Contents

Related product manuals