EasyManua.ls Logo

GE ALPS - Page 40

GE ALPS
366 pages
Print Icon
To Next Page IconTo Next Page
To Next Page IconTo Next Page
To Previous Page IconTo Previous Page
To Previous Page IconTo Previous Page
Loading...
1-28 ALPS Advanced Line Protection System
GE Power Management
1.8 PROTECTION SCHEMES 1 PRODUCT DESCRIPTION
1
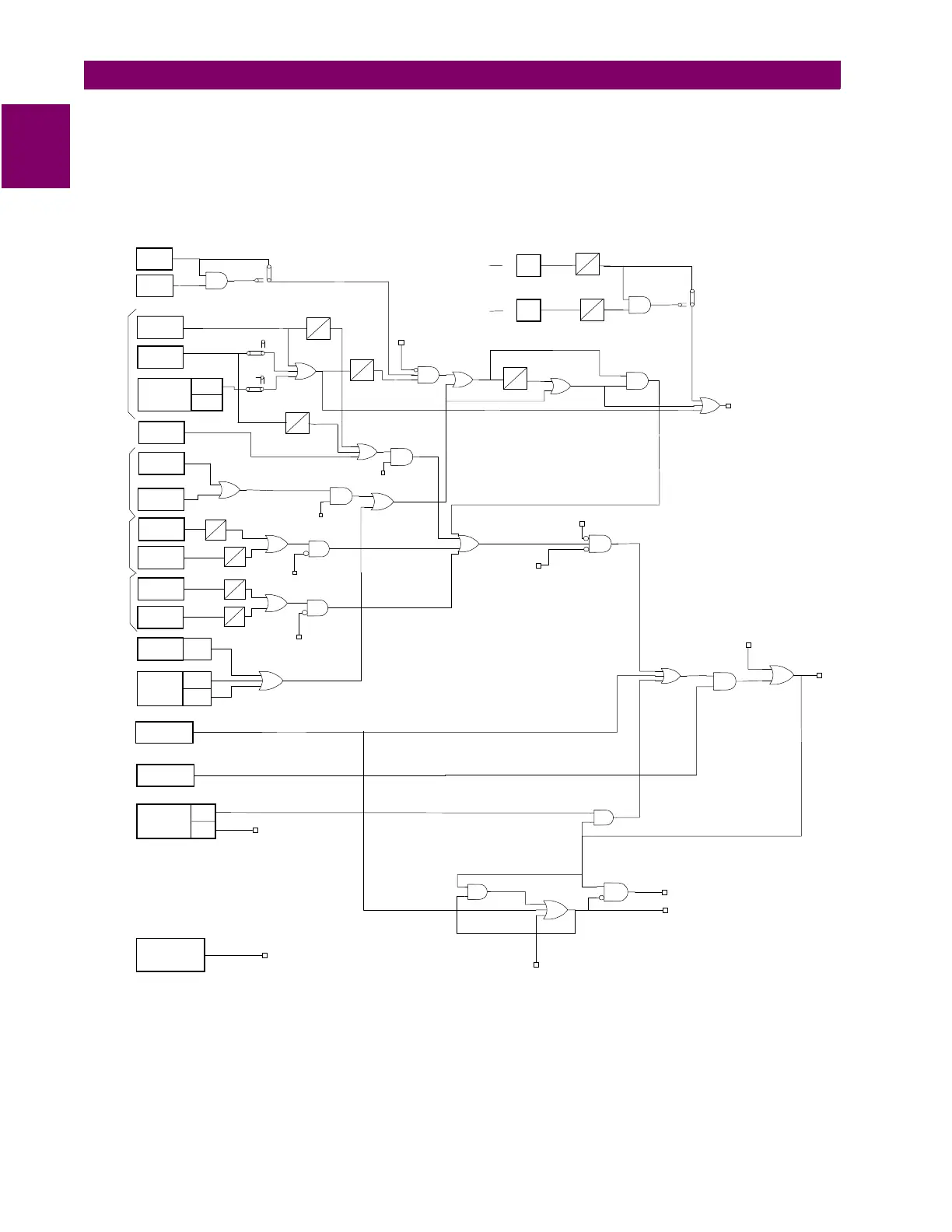
Figure 1–13: PERMISSIVE OVERREACH TRANSFER TRIP (POTT1)
FAULT
DETECTOR
LINE PICKUP
(CANCL)
(RI)
3
4
F = 1-50
TL1
F
50
B
0
3
407
8
10
KEY
PERMISSIVE
CHANNEL
(Zone 2)
2
[2 RCVRS]
[1 RCVR]
21
CC
(RCVR1)
CC
(RCVR2)
TL2G
B
0
REF
REF
B = 0.2- 3.0 SEC
TL2P
PHASE
DISTANCE
GROUND
DISTANCE
GROUND
DIRECTIONAL
OVER-
CURRENT
TRIP
BLOCK
REMOTE
OPEN
PHASE
DISTANCE
GROUND
DISTANCE
GROUND
BACKUP
50G
51G
OVER-
CURRENT
SUPERVISION
PHASE
DISTANCE
GROUND
DISTANCE
PHASE
DISTANCE
GROUND
DISTANCE
PHASE
BACKUP
50P
OSBALL
FFB
Setting 714
C
0
C
0
D
0
D
0
TL4G
TL4P
TL3G
TL3P
13
28
12
11
OSB
1
4
25
11
11
C = 0.4 - 6 sec
D = 0.4 - 6 sec
(Zone 4)
OSB
OSB
(Zone 3)
REVERSIBLE
ZONE 4
ZONE 3
ZONE 1
OVERREACHING ZONE /
ZONE 2
13
OSB
OSB
Setting 1202
(KEY1)
(KEY2)
Setting
205
POTT1.VSD
OUT OF STEP
BLOCKING
LOGIC
OSB – Settings 1601 to 1607
(CNFTRP)
CONFIGURABLE
TRIP BUS
8
RECLOSE CANCEL
RECLOSE INITIATE
BLOCK RECLOSING
Settings 801 to 810
9
(TRI
TRI
BU
S
44
7
7
6
Supervise Zone 4
E
E
TL5
TL6
E = 0 to 200
52-1
b
52-2
b
[2 BREAKERS]
[1BREAKER]
General
Setting
105
CC
CC
5
A
A
TL4
A = 0 - 50
5
E
E
9

Table of Contents

Related product manuals