EasyManua.ls Logo

GE ALPS - Page 48

GE ALPS
366 pages
Print Icon
To Next Page IconTo Next Page
To Next Page IconTo Next Page
To Previous Page IconTo Previous Page
To Previous Page IconTo Previous Page
Loading...
1-36 ALPS Advanced Line Protection System
GE Power Management
1.8 PROTECTION SCHEMES 1 PRODUCT DESCRIPTION
1
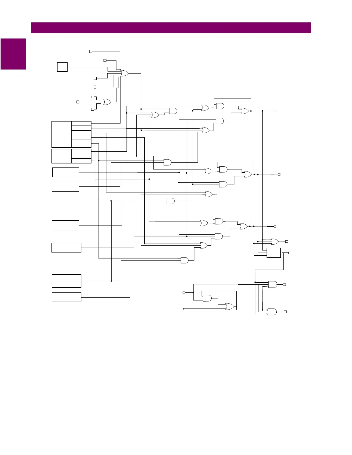
Figure 1–20: SINGLE PHASE TRIPPING LOGIC (HYBRID SCHEME)
In the Hybrid scheme trip output logic, the phase selection algorithm is supplemented with under voltage detectors in the
case of a weak infeed trip in which there is insufficient current to operate either the ground distance functions or the current
only phase selection function.
b) OPEN POLE DETERMINATION
The ALPS includes logic to detect when one or more poles of the circuit breaker is open. This logic is depicted in Figure 1–
21: OPEN POLE DETECTION LOGIC on page 1–41. The logic uses a combination of current and voltage detectors and
breaker auxiliary contacts. The breaker auxiliary contacts (52/b) are not required for the relay to function correctly. The
Open Pole logic detects when any pole is open, when only one pole is open, and when all three poles are open.
FAULTED
PHASE
SELECTION
LOGIC
MULTI-PHASE
PHASE A
PHASE C
PHASE B
OPEN-POLE LOGIC
CC
EXTERNAL
3 POLE TRIP
ENABLE
3 POLE TRIP ENABLE FLAG
(from internal recloser)
3 POLE TRIP MODE FLAG
(Setting 1203)
FAULT
DETECTOR
IT OVER-
CURRENT
PHASE A
PHASE C
PHASE B
TRIP
PHASE C
RI-1P1
RI-3P1
TRIP BUS
(FROM OR44)
ANY PHASE
TRIP
TRIP
PHASE B
TRIP
PHASE A
2 OR 3
PHASE
TRIP
2 OR 3
LOGIC
2 OR 3 PHASE TRIP
ANY
PHASE TRIP
RECLOSE CANCEL
(Settings 801-810)
SELECT THREE PHASE TRIP
ANY TIME DELAYED TRIP (Any Zone Timer or TOC)
LINE PICKUP
CONFIGURABLE TRIP
TRIP BUS SEAL-IN
TRIP BUS SEAL-IN
TRIP BUS SEAL-IN
NO PHASE
SELECTED
PHASE C
UNDERVOLTAGE
WEAK INFEED TRIP
PERMISSION
(FROM TL16)
PHASE B
UNDERVOLTAGE
PHASE A
UNDERVOLTAGE
30
39
36
32
37
33
38
34
31
40
41
43
39
1P-TRIPH.VSD

Table of Contents

Related product manuals