EasyManua.ls Logo

GE L90 - Page 356

GE L90
900 pages
Print Icon
To Next Page IconTo Next Page
To Next Page IconTo Next Page
To Previous Page IconTo Previous Page
To Previous Page IconTo Previous Page
Loading...
5-132 L90 LINE CURRENT DIFFERENTIAL SYSTEM – INSTRUCTION MANUAL
PRODUCT SETUP CHAPTER 5: SETTINGS
5
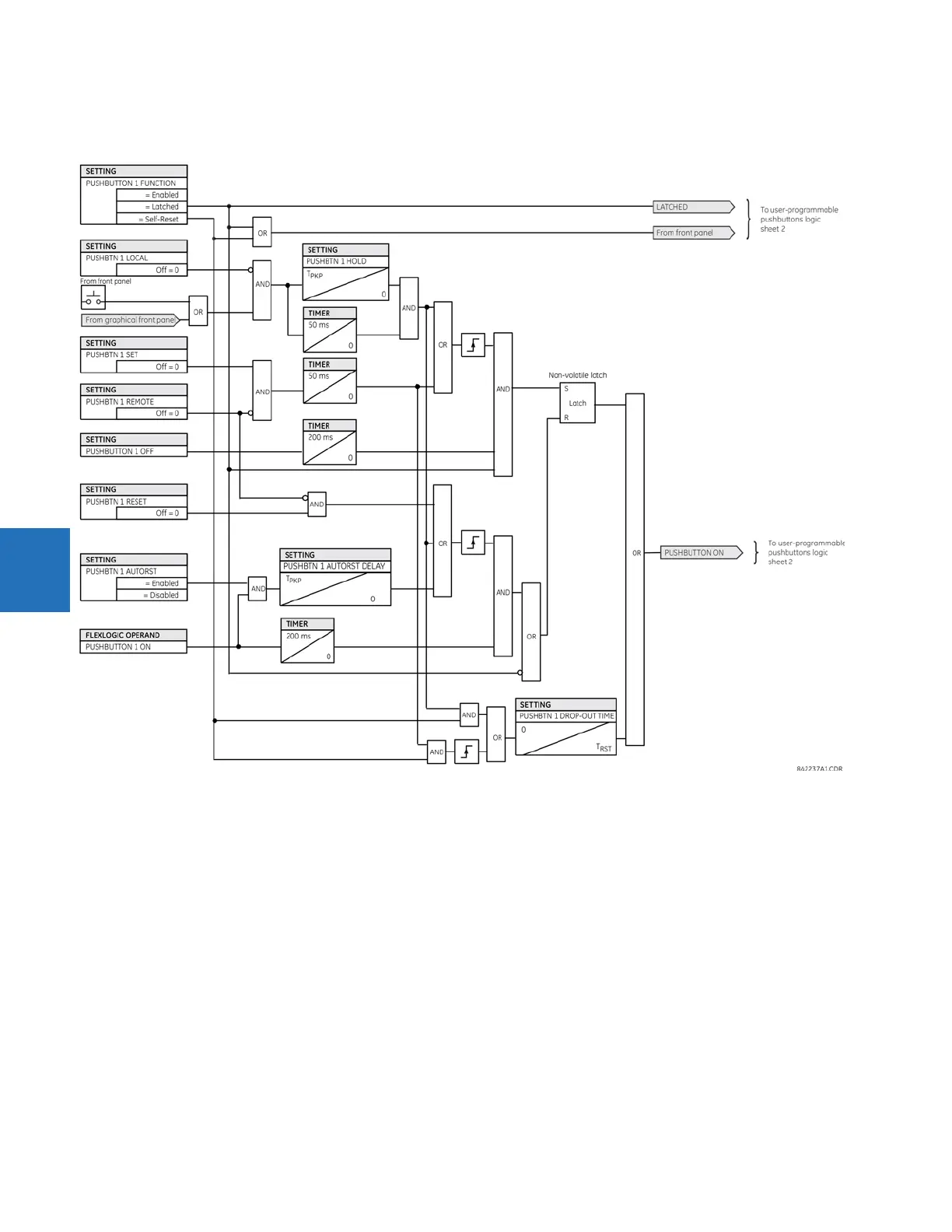
The figures show the user-programmable pushbutton logic.
Figure 5-59: User-programmable pushbutton logic (Sheet 1 of 2)

Table of Contents

Related product manuals