EasyManua.ls Logo

GE L90 - Page 378

GE L90
900 pages
Print Icon
To Next Page IconTo Next Page
To Next Page IconTo Next Page
To Previous Page IconTo Previous Page
To Previous Page IconTo Previous Page
Loading...
5-154 L90 LINE CURRENT DIFFERENTIAL SYSTEM – INSTRUCTION MANUAL
SYSTEM SETUP CHAPTER 5: SETTINGS
5
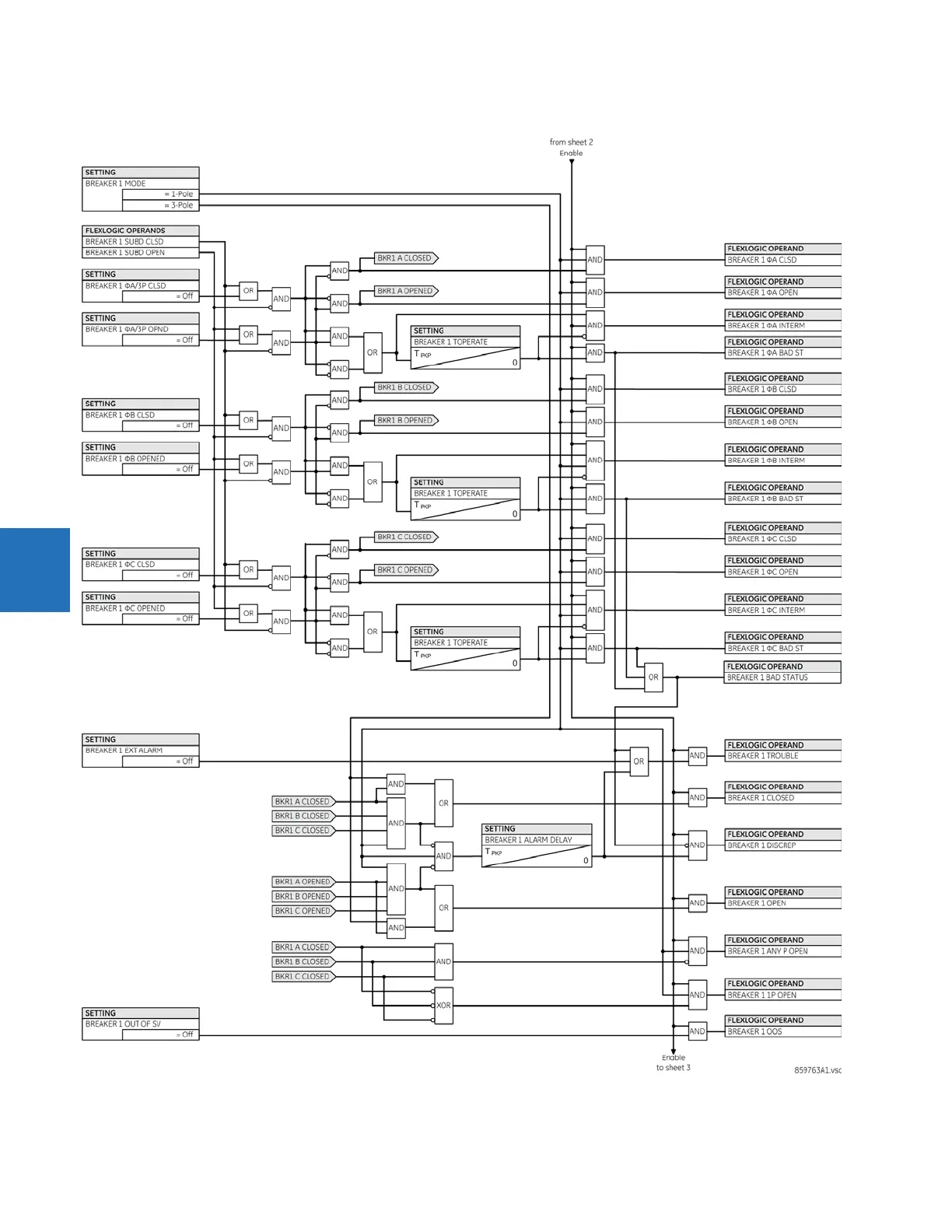
Figure 5-68: Dual breaker control logic (Sheet 2 of 3)

Table of Contents

Related product manuals