EasyManua.ls Logo

GE L90 - Page 563

GE L90
900 pages
Print Icon
To Next Page IconTo Next Page
To Next Page IconTo Next Page
To Previous Page IconTo Previous Page
To Previous Page IconTo Previous Page
Loading...
CHAPTER 5: SETTINGS CONTROL ELEMENTS
L90 LINE CURRENT DIFFERENTIAL SYSTEM – INSTRUCTION MANUAL 5-339
5
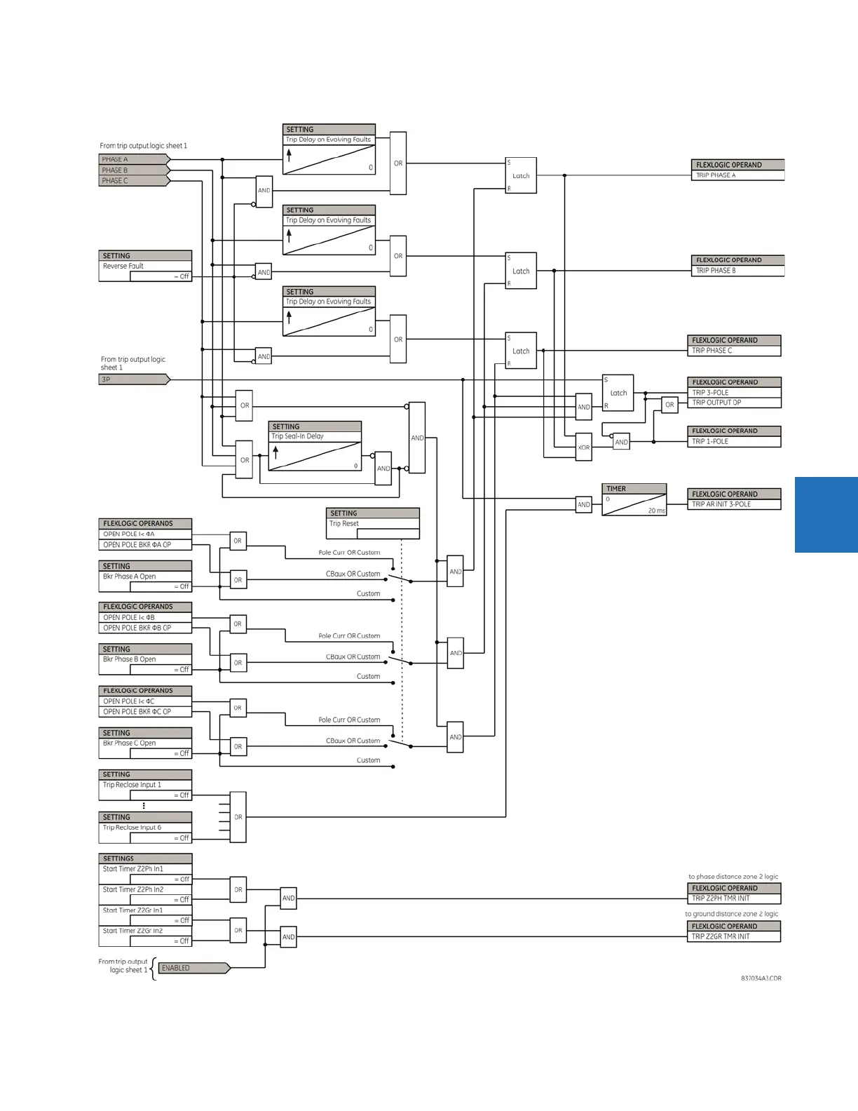
Figure 5-192: Trip output logic (Sheet 2 of 2)

Table of Contents

Related product manuals