EasyManua.ls Logo

Geringhoff Rota-Disc - Hydraulic circuit diagram folding headers

Default Icon
53 pages
Print Icon
To Next Page IconTo Next Page
To Next Page IconTo Next Page
To Previous Page IconTo Previous Page
To Previous Page IconTo Previous Page
Loading...
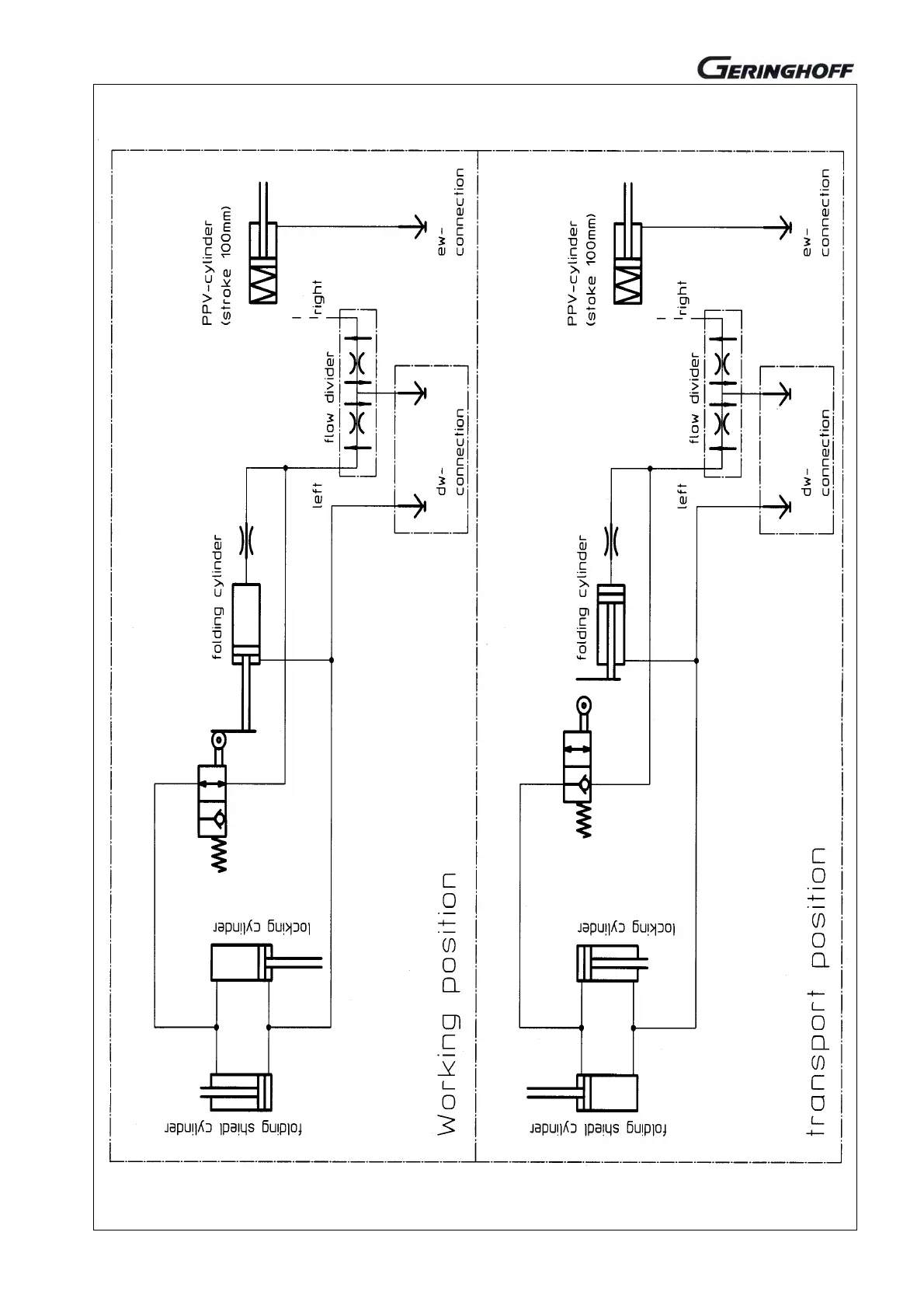
Hydraulic circuit diagram folding headers
36 / 300
Hydraulic circuit diagram for foldable headers from 6 – 12 rows
In case of queries o r possible troubles on the hydraulic control of the corn header, please get in
touch with our customer service at: Phone no. ++49-2382-981452 Fax ++49-2382-981456

Table of Contents