EasyManua.ls Logo

Hirobo jm2-0307903 - Cross Members and Gyro Mount Installation

Hirobo jm2-0307903
60 pages
Print Icon
To Next Page IconTo Next Page
To Next Page IconTo Next Page
To Previous Page IconTo Previous Page
To Previous Page IconTo Previous Page
Loading...
29
29
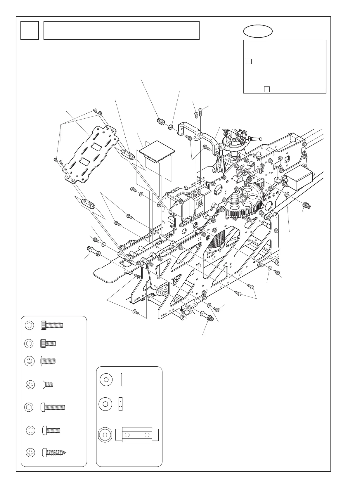
クロスメンバー・ジャイロマウントの取付
Cross members and gyro mount installation
25
M3X6CS
................................
4
M3X10CS
..............................
2
M3X12ボタンボルト
...........
1
M3X12 button bolt
M3X8ボタンボルト
.............
1
M3X8 button bolt
シンヘッドビスM3X8
.........
2
Thin head screw M3X8
シンヘッドビスM3X8
Thin head screw M3X8
M2.6X6皿ビス
......................
4
M2.6X6 countersunk screw
カラー3X8X2
........................
2
Collar 3X8X2
FW ø2.6Xø7.5X0.5T
..............
4
M3X12TS
...............................
4
M3X6CS
M3X6CS
M3X6CS
M3X12ボタンボルト
M3X12 button bolt
M3X8ボタンボルト
M3X8 button bolt
M3X10CS
M2.6X6皿ビス
M2.6X6 countersunk
screw
FW ø2.6Xø7.5X0.5T
FW ø2.6Xø7.5X0.5T
FW ø2.6Xø7.5X0.5T
M3X12TS
M3X12TS
6.35ボール用クロスメンバー
M3X26 M2.6穴付き
..............
2
Cross member M3X26
with M2.6 holes for 6.35 ball
カラー3X8X2
Collar 3X8X2
リンケージやメインギヤが
キャビンに接触する場合に
使用してください。
Use it so the linkage and main
gear come into contact with
the cabin.
カラ 3X8X2
Collar 3X8X2
リン メイン
接触す場合
使 くだ
Use it so the linkage and
main gear come into
contact with the cabin.
EX-EP キャビンクロスメンバー ベース
EX-EP cabin cross member base
クロスメンバーM3X26 M2.6穴付
Cross member M3X26 with M2.6 hole
ント
Gyro mount
EX-EPメカプレート
EX-EP mecha plate
EX-EP キャビンクロスメンバー M3X20
EX-EP cabin cross member M3X20
EX-EP メン M3X20
EX-EP cabin cross member M3X20
ャビ
メン M3X6
Cabin cross
member M3X6
キャビンクロスメンバー M3X6
Cabin cross member M3X6
キャビンを取付ける穴位置によって
キャビンクロスメンバーM3X6の取付
位置を変更してください。
39
ンの付を参
Change the attachment position of
the cabin cross member M3X6
depending on the position of the
holes used to attach the cabin.
Refer to
39
Cabin installation.
ポイント
Point

Table of Contents

Related product manuals