EasyManua.ls Logo

HP LaserJet P2015 Series - General timing chart

HP LaserJet P2015 Series
296 pages
Print Icon
To Next Page IconTo Next Page
To Next Page IconTo Next Page
To Previous Page IconTo Previous Page
To Previous Page IconTo Previous Page
Loading...
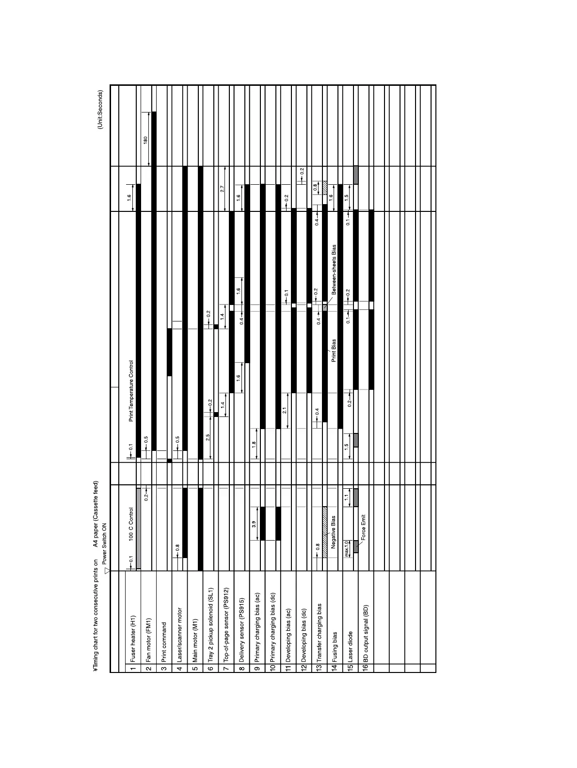
General timing chart
Figure 7-4 General timing chart
180 Chapter 7 Problem solving ENWW
For more information on the LaserJet P2015 Visit www.PrinterSupplies.com 800-551-1943

Table of Contents

Other manuals for HP LaserJet P2015 Series

Related product manuals