EasyManua.ls Logo

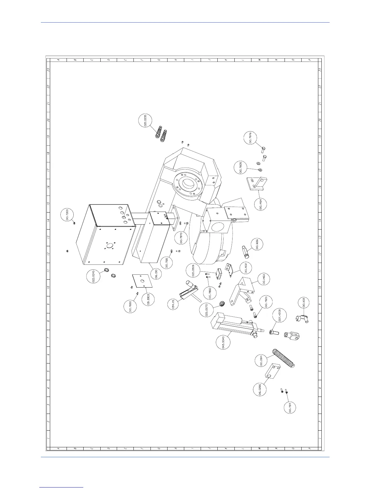
Hyd-Mech DM8 - Optional Cut Control System

Hyd-Mech DM8
156 pages
Print Icon
To Next Page IconTo Next Page
To Next Page IconTo Next Page
To Previous Page IconTo Previous Page
To Previous Page IconTo Previous Page
Loading...
MEP S.p.A.
6--60 Use and maintenance manual DM 8
Optional Cut Control System

Table of Contents